全国服务热线:+86-021-51082245
网站公告:
上海山合海融商贸有限公司代理销售德国KLAUKE全线产品,欢迎新老客户选购!

联系我们
+86-021-51082245
地址:
上海市宝山区陆翔路678弄60号
公司:
上海山合海融商贸有限公司
手机:
+86-13818244503
传真:
+86-021-51082245
产品中心 Products
冲压电缆端子
添加时间:2015/12/1 21:23:04
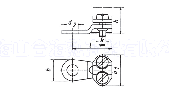
冲压电缆端子

冲压电缆端子 , 铜制 25-300mm2

用于螺栓连接导体到 1 级和 2 级 ,

比如在照明保护区域

特性:

用于户外组装

配有 2 到 4 个止推板

材料:

Cu-ETP

螺钉 : 铜 , F 60, 2 件

表面:镀锡

冲压压图300.png冲压300表.png

上一条:没有了!

下一条:铜制平行双沟线夹