全国服务热线:+86-021-51082245
网站公告:
上海山合海融商贸有限公司代理销售德国KLAUKE全线产品,欢迎新老客户选购!

联系我们
+86-021-51082245
地址:
上海市宝山区陆翔路678弄60号
公司:
上海山合海融商贸有限公司
手机:
+86-13818244503
传真:
+86-021-51082245
产品中心 Products
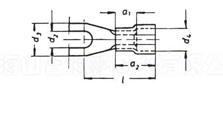
绝缘无焊料型端子
添加时间:2015/12/3 20:35:09
绝缘无焊料型端子

绝缘无焊料型端子,0.1-6mm2

叉式

适用于直接螺钉式安装

压接区采用硬焊

适用于细绞线和C细绞线

特性

按照 标准进行制造

绝缘插片套管: PA,不含卤化物

可耐受高达 105℃的热度

材料:

Cu-ETP

绝缘套筒 PA

表面:镀锡

77.png777.png