上海人民电器厂RMW1(DW45)智能型万能式断路器额定电压为交流50Hz,
690V,额定电流630~6300A,用于配电网络中分配电能和保护线路、电源及用电设备免受
过载、短路、接地故障的危害,具有较高精度的选择性保护,提高了供电KK性。
用 途
结构紧凑
通断能力高
无飞弧距离、较高安全性
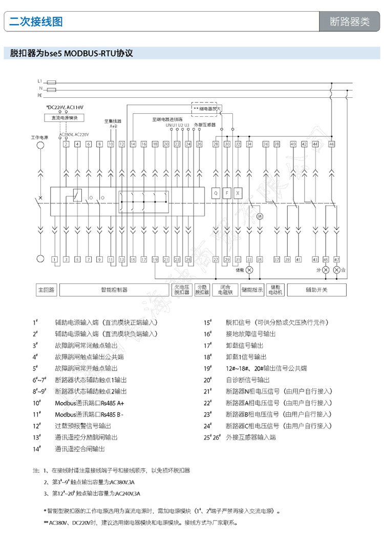
智能型过电流脱扣保护,附有通信接口,可与计算机集群控制
电流表、电压表显示功能
可以上或下进线联接
特 点
标 准
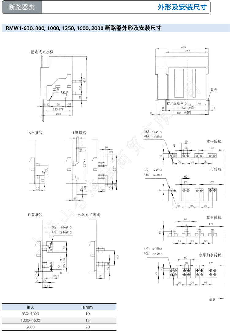
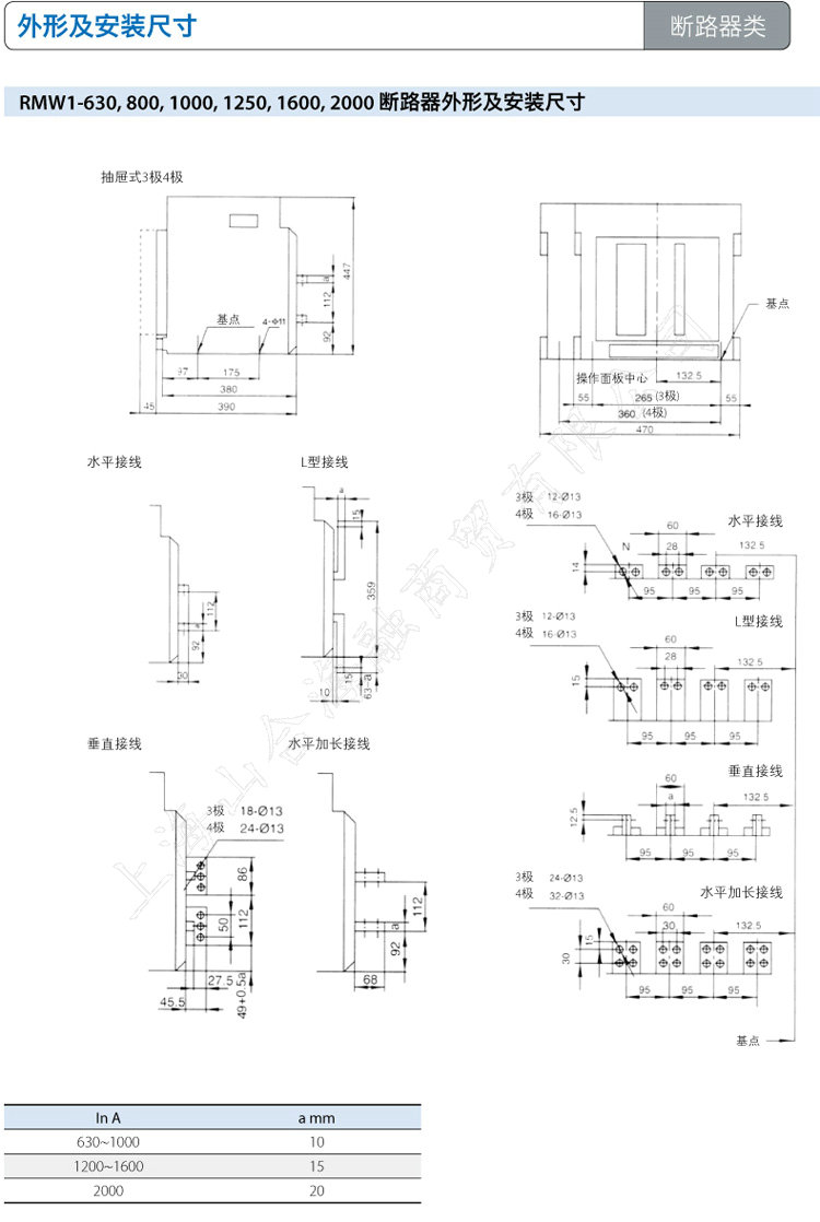
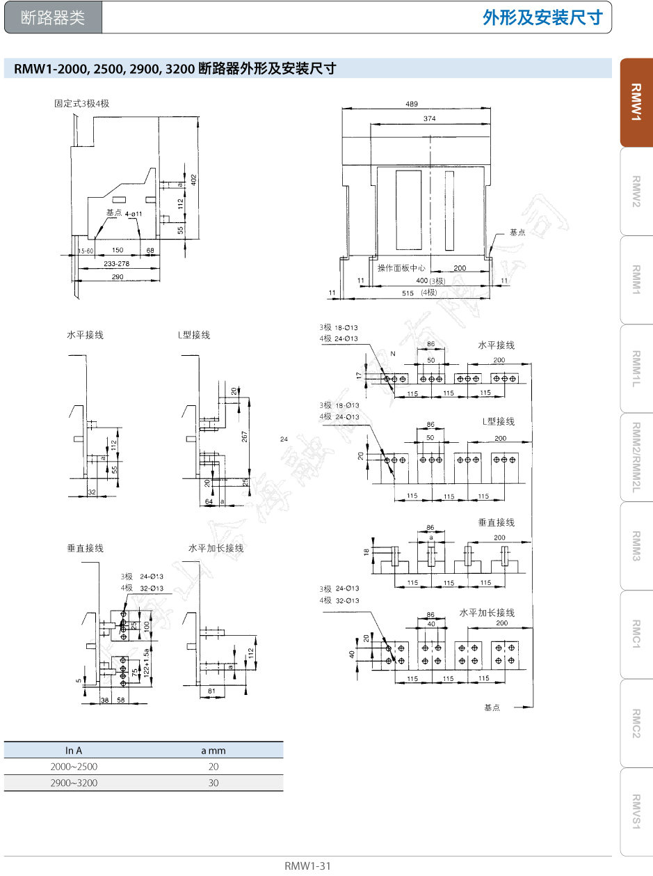
安 装 方 式:固定式、抽屉式
接 线 方 式:水平接线、L型垂直接线、十字垂直接线、水平加长接线
极 数:三极、四极
操 作 方 式:手动储能操作、电动机储能操作
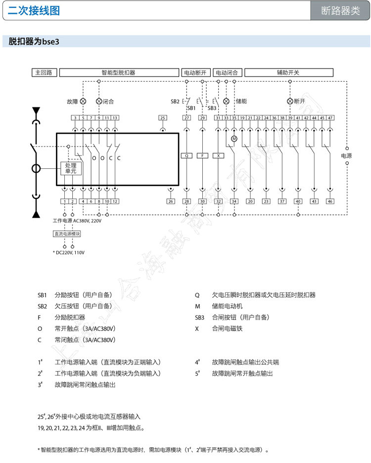
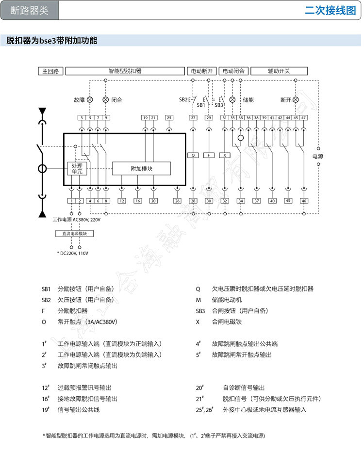
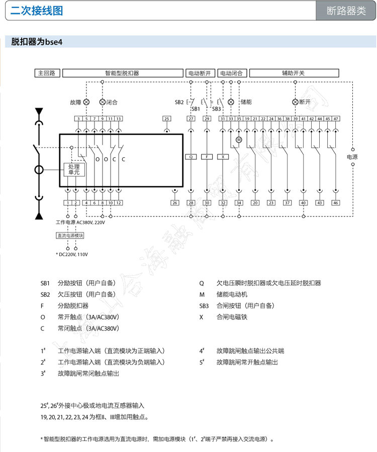
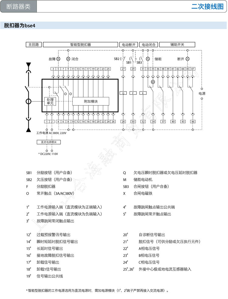
脱扣器种类:智能型脱扣器、欠电压瞬时(或延时)脱扣器、分励脱扣器
注:本产品允许下进线
型 式
注:当安装地点在海拔2000m以上时,必须降容使用。
断路器型号
框 I
RMW1-2000
额定电流 (In)A 630 800 1000 1250 1600 2000
额定工作电压 (Ue)V 690 690 690 690 690 690
额定绝缘电压 (Ui)V 1000 1000 1000 1000 1000 1000
额定冲击耐压 (Uimp)kV 12 12 12 12 12 12
适用于隔离
极数 P 3,4 3,4 3,4 3,4 3,4 3,4
分断时间 ms 30 30 30 30 30 30
合闸时间 ms 60 60 60 60 60 60
额定极限短路 kA 400V 80 80 80 80 80 80
分断能力 (lcu) 690V 50 50 50 50 50 50
额定运行短路 kA 400V 65 65 65 65 65 65
分断能力 (lcs) 690V 50 50 50 50 50 50
额定短路 kA 400V 50 50 50 50 50 50
耐受电流 (lcw1s) 690V 40 40 40 40 40 40
额定短路接通能力 (Icm)kA 176 176 176 176 176 176
智能型脱扣器 √ √ √ √ √ √
bse3(基本型)基本保护 √ √ √ √ √ √
bse4(多功能型)可选择保护 √ √ √ √ √ √
bse5(全功能型)通讯接口 √ √ √ √ √ √
机械寿命次数
机械
有维护 20000 20000 20000 20000 20000 20000
无维护 13500 13500 13500 13500 13500 13500
电气
AC400V 6500 6500 6500 6500 6500 6500
AC690V 3000 3000 3000 3000 3000 3000
安装型式
固定式 √ √ √ √ √ √
抽屉式 √ √ √ √ √ √
外型尺寸
H×W×D H×W×D
固定3P 402×362×322
固定4P 402×457×322
抽屉3P 447×375×420
抽屉4P 447×470×420
重量 kg
固定3P 41 41 41 42.4 42.4 44.5
固定4P 53 53 53 55.1 55.1 57.8
抽屉3P 65.4 65.4 65.4 68 68 69.8
抽屉4P 83.9 83.9 83.9 87.8 87.8 92.3
W D
H
RMW1-5
RMW1 RMW2 RMM1 RMM1L RMM2/RMM2L RMM3 RMC1 RMC2 RMVS1
断路器类 技术数据与性能
框 II 框 III
RMW1-3200 RMW1-6300
2000 2500 2900 3200 4000/3 4000/4 5000 6300
690 690 690 690 690 690 690 690
1000 1000 1000 1000 1000 1000 1000 1000
12 12 12 12 12 12 12 12
3,4 3,4 3,4 3,4 3 4 3,4 3,4
30 30 30 30 30 30 30 30
60 60 60 60 60 60 60 60
100 100 100 100 100 120 120 120
65 65 65 65 65 85 85 85
80 80 80 80 80 100 100 100
50 50 50 50 50 75 75 75
80 80 80 80 80 100 100 100
50 50 50 50 50 75 75 75
220 220 220 220 220 264 264 264
√ √ √ √ √ √ √ √
√ √ √ √ √ √ √ √
√ √ √ √ √ √ √ √
√ √ √ √ √ √ √ √
20000 20000 20000 20000 10000 10000 10000 10000
10000 10000 10000 10000 5000 5000 5000 5000
3000 3000 3000 3000 1500 1500 1500 1500
2000 2000 2000 2000 1500 1500 1500 1500
√ √ √ √
√ √ √ √ √ √ √ √
H×W×D H×W×D H×W×D H×W×D H×W×D
402×422×322 - - - -
402×537×322 - - - -
447×435×420 450×550×492 - 450×930×492 450×930×492
447×550×420 - 450×930×492 450×930×492 450×930×492
48 48 59 59 - - - -
61.6 61.6 76.7 76.7 - - - -
75 75 90 90 125 - 210 210
95 95 117 117 - 210 210 210







































