上海人民电器厂RMC2-63Z系列直流小型断路器
用途 使用环境
B型:直流无感或微感电路
C型:直流配电电路
短路及过载保护
环境温度:-5˚C~+40˚C
海拔:≤2000m
空气相对湿度:≤95%
35mm 2 及以下导线
接线能力
外形尺寸
技术参数
额定运行短路分断能力
额定工作电压 1P DC125V 额定电流(A) 分断能力(kA)
2P、3P、4P DC250V B、C:1-63 10
机械电气寿命 10000次
脱扣特性 B型4~7In瞬时脱扣
C型7~15In瞬时脱扣
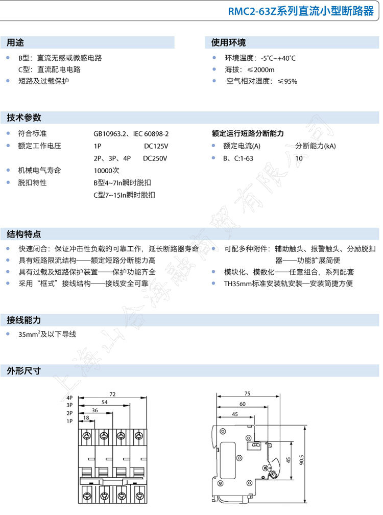
72
75
60
45
45
90.5
54
36
18
1P
2P
4P
3P
快速闭合:BZ冲击性负载的KK工作,延长断路器寿命
具有短路限流结构——额定短路分断能力高
具有过载及短路保护装置——保护功能齐全
采用“框式”接线结构——接线安全KK
结构特点
可配多种附件:辅助触头、报警触头、分励脱扣
器——功能扩展简便
模块化、模数化——任意组合,系列配套
TH35mm标准安装轨安装—安装简捷方便







