西班牙LIFASA电容器
您现在的位置:首页 >> 新产品发布 >> 金钟穆勒 >> 内容

伊顿穆勒MATS系列双电源自动转换开关

时间:2014-3-31 9:36:10 点击:

  核心提示:MATS系列双电源自动转换开关,采用伊顿的微型、塑壳断路器及负荷隔离开关,配以带机械与电气联锁的智能机电一体化操作与控制器组合而成。适用各个不容许断电的重要场所两路电源的自动检测与自动切换之用。...

双电源自动转换开关MATS系列

 

智能化设计,KK性高,功耗小。具有自动检测故障并自动切换等丰富的功能。

产品信息 

●   CB级;

●   PC级。

MATS系列双电源自动转换开关

产品描述

MATS系列双电源自动转换开关,采用伊顿的微型、塑壳断路器及负荷隔离开关,配以带机械与电气联锁的智能机电一体化操作与控制器组合而成。适用各个不容许断电的重要场所两路电源的自动检测与自动切换之用。

●   模块化、智能化设计,体积小,结构简单 ;

●   单电机驱动,驱动简单、平稳、KK,冲击力小,噪声低;

●   稳态时电机无工作,功耗小,KK性高;

●   执行机构具有机械、电气双重联锁,BZ切换KK性;

●   具有失压、缺相、欠压的自动检测,并自动切换,自投自复;

●   CB级采用断路器为执行元件,具有线路保护功能;PC级采用负荷隔离开关为执行元件;

●   具有手/自动切换功能;

●   切换时间可在线有效设置;

●   具有消防联动功能(标配),状态反馈(标配);

●   负载侧线路发生故障时,MATS不切换;

●   具有各种运行状态的显示。

 

工作原理

●   该装置由一台电机控制驱动两台断路器/负荷隔离开关的分合实现主备电源的切换。

●   该装置设有手/自动两种工作模式,面板上设有一手/自动开关进行选择。

●   选择自动时,控制仪对常用、备用电源状态进行检测。当常用电源故障,备用电源正常时,自动切换到备用电源工作。

●   当常用电源恢复正常时,又切换到常用电源工作,实现自投自复的功能。选择手动时,切断控制仪的电源,用手动操作旋钮进行常用、备用电源的分合操作。主要用于检修或装置工作 在 非 正 常 状 态 时 的 应 急 使用。

●   MATS系列双电源自动转换开关还具有消防联动功能,即当消防信号有效时,控制仪自动将常用、备用电源都运行在分的状态,从而切断常用、备用电源。当消防信号解除时,必须将双电源自动转换开关重新上电复位或者用手/自动开关进行复位(即将手/自动开关从手动——自动切换一次),方可重新自动运行。

●   该装置具有常用、备用电源工作状态反馈输出,为无源触点(常开)。

●   对市电发电的装置(仅对MATSB-系列),其工作原理为当市电故障时,控制仪发出——起动发电机信号,当发电机发出的电压到达正常时,切换到备电源工作。当常用市电电源恢复正常时,切回到市电工作,停止发电机运行。其余与市电市电切换相同。

 

 

运行环境

●   温度:-25℃~700C

●   海拔:<2000m

●   湿度:月平均温度为+25℃时的月平均湿度<90%

●   污染等级:3级

●   防护等级:IP20

设计图示

在电气设计图样中引用ATS电气图形符号

MATS系列双电源自动转换开关

型号说明

 

CB级型号说明

微型断路器型

塑壳断路器型

PC级型号说明

微型负荷隔离开关型

负荷隔离开关型

MATS系列双电源自动转换开关

技术参数

CB级规格与参数

PC级规格与参数

MATS系列双电源自动转换开关

控制器说明

●   MATS系列双电源自动转换开关所配控制器分三种类型,即A型、B型、C型,配置于160、250、630型双电源自动转换开关上;

●   控制仪对双路电源的状态进行检测,并根据不同状态下执行常用电源、备用电源的分合闸,以及双分的动作,并在控制仪上用不同的方式显示设备的各种工作状态。

A型控制器

●   缺相、失压、欠压检测

●   模拟屏、LED灯运行状态指示

●   切换时间延时设置

●   消防联动控制

●   状态反馈

●   手/自动设置

●   零线接错检测并报警

●   自投自复

●   市电-市电

 

B型控制器

●   缺相、失压、欠压检测

●   模拟屏、LED灯运行状态指示

●   切换时间延时设置

●   消防联动控制

●   状态反馈

●   手/自动设置

●   零线接错检测并报警

●   自投自复

●   市电-发电

 

C型控制器

●   缺相、失压、欠压检测

●   数字显示电源电压值

●   运行状态LED指示

●   切换时间延时设置

●   消防联动控制

●   状态反馈

●   手/自动设置

●   零线接错检测并数字报警

●   自投自复

●   市电一市电

 

MATS系列双电源自动转换开关

状态显示

工作状态显示模式及含义说明

微型断路器和隔离开关型

五只红色LED灯指示

●   主电源故障指示灯:灯灭-主电源正常,灯亮-主电源故障

●   主电源工作指示灯:灯亮-主电源闭合

●   备电源故障指示灯:灯灭-备电源正常,灯亮-备电源故障

●   备电源工作指示灯:灯亮-备电源闭合

●   电源指示指示灯:灯亮-控制仪电源正常

塑壳断路器和隔离开关型

A型控制器,B型控制器

模拟屏显示

●   1段:灯亮-主电源正常,灯灭-主电源故障

●   10段:灯亮-备电源正常,灯灭-备电源故障

●   2,8段:常亮。

●   5段:灯亮-主电源闭合

●   6段:灯亮-备电源闭合

●   4段:灯亮-主电源断开

●   7段:灯亮-备电源断开

●   11段:双电源出线,常亮

C型控制器

1、五只红色LED灯指示

●   主电源故障指示灯:灯灭-主电源正常,灯亮-主电源故障

●   主电源工作指示灯:灯亮-主电源闭合

●   备电源故障指示灯:灯灭-备电源正常,灯亮-备电源故障

●   备电源工作指示灯:灯亮-备电源闭合

●   电源指示指示灯:灯亮-控制仪电源正常

2、一组三只数码管显示主、备电源的相电压,或零线接错报警指示,同时用两只LED灯的点亮来区分数码管上

显示值为主电源或备电源的相电压值。

●   N-V指示灯:灯亮-220,主电源相电压

●   R-V指示灯:灯亮- 220 ,备电源相电压

●   N-V, R-V指示灯:灯灭- ---,零线接错

 

MATS系列双电源自动转换开关

时间设置

切换延时时间装置

该系列装置具有四档切换延时时间可选择,时间设置方式如下:

微型断路器和隔离开关型

在装置的顶部具有-拔码开关,通过拔码开关的不同状态来设置。

设置状态真值表

 

塑壳断路器和隔离开关型

A. B, C型控制器

该系列装置在控制仪面板上设有-时间设置旋钮,可方便对切换延时时间进行设置。



MATS系列双电源自动转换开关
二次控制接线端子说明

微型断路器和隔离开关型
1、二次控制端子

注:
●   状态反馈信号为输出信号,无源常开触点,用于指示主、备工作状态等(触点容量为:1A );
●   消防联动信号为输入信号(引自消防系统),必须为无源常开触点,信号方式可为脉冲(> 100ms )或状态信号。
2、N(零线)端子
在三极装置中,必须将主、备电源的零线引入N端子。
塑壳断路器和隔离开关型
A, B, C型控制器的接线端子
1、二次控制端子

注:
●   状态反馈信号为输出信号,无源常开触点,用于指示主、备工作状态等(触点容量为:1A );
●   消防联动信号为输入信号(引自消防系统),必须为无源常开触点,信号方式可为脉冲(> 100ms )或状态信号。


注:
●   DC24V引自发电机(输入),按 +、- 极联接
●   启动发电机信号为输出信号,无源常开触点(触点容量为1A )
2、N(零线)端子:
在三极装置,必须将主、备电源的零线引入N端子中。

MATS系列双电源自动转换开关
控制功能一览表


注意事项
1、中性(零线)引入,对于四极装置引入到断路器相应的N极,对三极装置将零线引入N端子。切勿将零线接错,不然会损坏装置的控制仪。
2、当负载侧发生线路故障而导致断路器脱扣时,必须将装置切换到手动状态,在排除故障后再切换到自动状态。
3、所有输入输出控制信号均为无源触点,特别是消防联动信号的引入,如果引入的是有源信号,将直接烧坏控制器。
4、在装置接入主、备电源的三相进线时,应注意装置上联接三相电源到控制仪的检测线,不要使其脱落或接触不好。


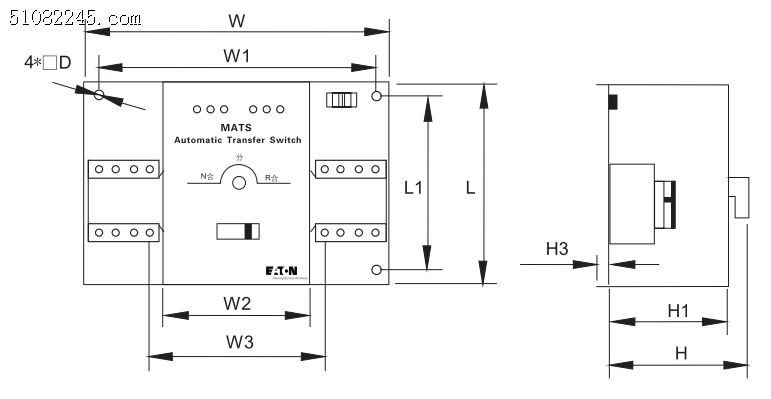
MATS系列双电源自动转换开关
外形尺寸
尺寸
单位:毫米 (mm)

塑壳断路器型双电源自动转换开关,3P 订货号 型号
3P,A型控制器
LZMC1,20A,CB级,A型控制器 90000006000001 MATSA C1/A20 3 CB
LZMC1,25A,CB级,A型控制器 90000006000002 MATSA C1/A25 3 CB
LZMC1,32A,CB级,A型控制器 90000006000004 MATSA C1/A32 3 CB
LZMC1,40A,CB级,A型控制器 90000006000005 MATSA C1/A40 3 CB
LZMC1,50A,CB级,A型控制器 90000006000006 MATSA C1/A50 3 CB
LZMC1,63A,CB级,A型控制器 90000006000007 MATSA C1/A63 3 CB
LZMC1,80A,CB级,A型控制器 90000006000008 MATSA C1/A80 3 CB
LZMC1,100A,CB级,A型控制器 90000006000009 MATSA C1/A100 3 CB
LZMC1,125A,CB级,A型控制器 90000006000010 MATSA C1/A125 3 CB
LZMC1,160A,CB级,A型控制器 90000006000011 MATSA C1/A160 3 CB
LZMC2,160A,CB级,A型控制器 90000006000012 MATSA C2/A160 3 CB
LZMC2,200A,CB级,A型控制器 90000006000013 MATSA C2/A200 3 CB
LZMC2,250A,CB级,A型控制器 90000006000014 MATSA C2/A250 3 CB
LZMC3,320A,CB级,A型控制器 90000006000015 MATSA C3/A320 3 CB
LZMC3,400A,CB级,A型控制器 90000006000016 MATSA C3/A400 3 CB
LZMC3,500A,CB级,A型控制器 90000006000017 MATSA C3/A500 3 CB
3P,B型控制器
LZMC1,20A,CB级,B型控制器 90000006000018 MATSB C1/A20 3 CB
LZMC1,25A,CB级,B型控制器 90000006000019 MATSB C1/A25 3 CB
LZMC1,32A,CB级,B型控制器 90000006000020 MATSB C1/A32 3 CB
LZMC1,40A,CB级,B型控制器 90000006000021 MATSB C1/A40 3 CB
LZMC1,50A,CB级,B型控制器 90000006000022 MATSB C1/A50 3 CB
LZMC1,63A,CB级,B型控制器 90000006000023 MATSB C1/A63 3 CB
LZMC1,80A,CB级,B型控制器 90000006000024 MATSB C1/A80 3 CB
LZMC1,100A,CB级,B型控制器 90000006000025 MATSB C1/A100 3 CB
LZMC1,125A,CB级,B型控制器 90000006000026 MATSB C1/A125 3 CB
LZMC1,160A,CB级,B型控制器 90000006000027 MATSB C1/A160 3 CB
LZMC2,160A,CB级,B型控制器 90000006000028 MATSB C2/A160 3 CB
LZMC2,200A,CB级,B型控制器 90000006000029 MATSB C2/A200 3 CB
LZMC2,250A,CB级,B型控制器 90000006000030 MATSB C2/A250 3 CB
LZMC3,320A,CB级,B型控制器 90000006000031 MATSB C3/A320 3 CB
LZMC3,400A,CB级,B型控制器 90000006000032 MATSB C3/A400 3 CB
LZMC3,500A,CB级,B型控制器 90000006000033 MATSB C3/A500 3 CB
3P,C型控制器
LZMC1,20A,CB级,C型控制器 90000006000034 MATSC C1/A20 3 CB
LZMC1,25A,CB级,C型控制器 90000006000035 MATSC C1/A25 3 CB
LZMC1,32A,CB级,C型控制器 90000006000036 MATSC C1/A32 3 CB
LZMC1,40A,CB级,C型控制器 90000006000037 MATSC C1/A40 3 CB
LZMC1,50A,CB级,C型控制器 90000006000038 MATSC C1/A50 3 CB
LZMC1,63A,CB级,C型控制器 90000006000039 MATSC C1/A63 3 CB
LZMC1,80A,CB级,C型控制器 90000006000040 MATSC C1/A80 3 CB
LZMC1,100A,CB级,C型控制器 90000006000041 MATSC C1/A100 3 CB
LZMC1,125A,CB级,C型控制器 90000006000042 MATSC C1/A125 3 CB
LZMC1,160A,CB级,C型控制器 90000006000043 MATSC C1/A160 3 CB
LZMC2,160A,CB级,C型控制器 90000006000044 MATSC C2/A160 3 CB
LZMC2,200A,CB级,C型控制器 90000006000045 MATSC C2/A200 3 CB
LZMC2,250A,CB级,C型控制器 90000006000046 MATSC C2/A250 3 CB
LZMC3,320A,CB级,C型控制器 90000006000047 MATSC C3/A320 3 CB
LZMC3,400A,CB级,C型控制器 90000006000048 MATSC C3/A400 3 CB
LZMC3,500A,CB级,C型控制器 90000006000049 MATSC C3/A500 3 CB
4P,A型控制器
LZMC1,20A,CB级,A型控制器 90000006000050 MATSA C1/A20 4 CB
LZMC1,25A,CB级,A型控制器 90000006000051 MATSA C1/A25 4 CB
LZMC1,32A,CB级,A型控制器 90000006000052 MATSA C1/A32 4 CB
LZMC1,40A,CB级,A型控制器 90000006000053 MATSA C1/A40 4 CB
LZMC1,50A,CB级,A型控制器 90000006000054 MATSA C1/A50 4 CB
LZMC1,63A,CB级,A型控制器 90000006000055 MATSA C1/A63 4 CB
LZMC1,80A,CB级,A型控制器 90000006000056 MATSA C1/A80 4 CB
LZMC1,100A,CB级,A型控制器 90000006000057 MATSA C1/A100 4 CB
LZMC1,125A,CB级,A型控制器 90000006000058 MATSA C1/A125 4 CB
LZMC1,160A,CB级,A型控制器 90000006000059 MATSA C1/A160 4 CB
LZMC2,160A,CB级,A型控制器 90000006000060 MATSA C2/A160 4 CB
LZMC2,200A,CB级,A型控制器 90000006000061 MATSA C2/A200 4 CB
LZMC2,250A,CB级,A型控制器 90000006000062 MATSA C2/A250 4 CB
LZMC3,320A,CB级,A型控制器 90000006000063 MATSA C3/A320 4 CB
LZMC3,400A,CB级,A型控制器 90000006000064 MATSA C3/A400 4 CB
LZMC3,500A,CB级,A型控制器 90000006000065 MATSA C3/A500 4 CB
4P,B型控制器
LZMC1,20A,CB级,B型控制器 90000006000066 MATSB C1/A20 4 CB
LZMC1,25A,CB级,B型控制器 90000006000067 MATSB C1/A25 4 CB
LZMC1,32A,CB级,B型控制器 90000006000068 MATSB C1/A32 4 CB
LZMC1,40A,CB级,B型控制器 90000006000069 MATSB C1/A40 4 CB
LZMC1,50A,CB级,B型控制器 90000006000070 MATSB C1/A50 4 CB
LZMC1,63A,CB级,B型控制器 90000006000071 MATSB C1/A63 4 CB
LZMC1,80A,CB级,B型控制器 90000006000072 MATSB C1/A80 4 CB
LZMC1,100A,CB级,B型控制器 90000006000073 MATSB C1/A100 4 CB
LZMC1,125A,CB级,B型控制器 90000006000074 MATSB C1/A125 4 CB
LZMC1,160A,CB级,B型控制器 90000006000075 MATSB C1/A160 4 CB
LZMC2,160A,CB级,B型控制器 90000006000076 MATSB C2/A160 4 CB
LZMC2,200A,CB级,B型控制器 90000006000077 MATSB C2/A200 4 CB
LZMC2,250A,CB级,B型控制器 90000006000078 MATSB C2/A250 4 CB
LZMC3,320A,CB级,B型控制器 90000006000079 MATSB C3/A320 4 CB
LZMC3,400A,CB级,B型控制器 90000006000080 MATSB C3/A400 4 CB
LZMC3,500A,CB级,B型控制器 90000006000081 MATSB C3/A500 4 CB
4P,C型控制器
LZMC1,20A,CB级,C型控制器 90000006000082 MATSC C1/A20 4 CB
LZMC1,25A,CB级,C型控制器 90000006000083 MATSC C1/A25 4 CB
LZMC1,32A,CB级,C型控制器 90000006000084 MATSC C1/A32 4 CB
LZMC1,40A,CB级,C型控制器 90000006000085 MATSC C1/A40 4 CB
LZMC1,50A,CB级,C型控制器 90000006000086 MATSC C1/A50 4 CB
LZMC1,63A,CB级,C型控制器 90000006000087 MATSC C1/A63 4 CB
LZMC1,80A,CB级,C型控制器 90000006000088 MATSC C1/A80 4 CB
LZMC1,100A,CB级,C型控制器 90000006000089 MATSC C1/A100 4 CB
LZMC1,125A,CB级,C型控制器 90000006000090 MATSC C1/A125 4 CB
LZMC1,160A,CB级,C型控制器 90000006000091 MATSC C1/A160 4 CB
LZMC2,160A,CB级,C型控制器 90000006000092 MATSC C2/A160 4 CB
LZMC2,200A,CB级,C型控制器 90000006000093 MATSC C2/A200 4 CB
LZMC2,250A,CB级,C型控制器 90000006000094 MATSC C2/A250 4 CB
LZMC3,320A,CB级,C型控制器 90000006000095 MATSC C3/A320 4 CB
LZMC3,400A,CB级,C型控制器 90000006000096 MATSC C3/A400 4 CB
LZMC3,500A,CB级,C型控制器 90000006000097 MATSC C3/A500 4 CB
3P,A型控制器
LZMN1,20A,CB级,A型控制器 90000006000098 MATSA N1/A20 3 CB
LZMN1,25A,CB级,A型控制器 90000006000099 MATSA N1/A25 3 CB
LZMN1,32A,CB级,A型控制器 90000006000100 MATSA N1/A32 3 CB
LZMN1,40A,CB级,A型控制器 90000006000101 MATSA N1/A40 3 CB
LZMN1,50A,CB级,A型控制器 90000006000102 MATSA N1/A50 3 CB
LZMN1,63A,CB级,A型控制器 90000006000103 MATSA N1/A63 3 CB
LZMN1,80A,CB级,A型控制器 90000006000104 MATSA N1/A80 3 CB
LZMN1,100A,CB级,A型控制器 90000006000105 MATSA N1/A100 3 CB
LZMN1,125A,CB级,A型控制器 90000006000106 MATSA N1/A125 3 CB
LZMN1,160A,CB级,A型控制器 90000006000107 MATSA N1/A160 3 CB
LZMN2,160A,CB级,A型控制器 90000006000108 MATSA N2/A160 3 CB
LZMN2,200A,CB级,A型控制器 90000006000109 MATSA N2/A200 3 CB
LZMN2,250A,CB级,A型控制器 90000006000110 MATSA N2/A250 3 CB
LZMN3,320A,CB级,A型控制器 90000006000111 MATSA N3/A320 3 CB
LZMN3,400A,CB级,A型控制器 90000006000112 MATSA N3/A400 3 CB
LZMN3,500A,CB级,A型控制器 90000006000113 MATSA N3/A500 3 CB
LZMN3,630A,CB级,A型控制器 90000006000114 MATSA N3/AE630 3 CB
3P,B型控制器
LZMN1,20A,CB级,B型控制器 90000006000115 MATSB N1/A20 3 CB
LZMN1,25A,CB级,B型控制器 90000006000116 MATSB N1/A25 3 CB
LZMN1,32A,CB级,B型控制器 90000006000117 MATSB N1/A32 3 CB
LZMN1,40A,CB级,B型控制器 90000006000118 MATSB N1/A40 3 CB
LZMN1,50A,CB级,B型控制器 90000006000119 MATSB N1/A50 3 CB
LZMN1,63A,CB级,B型控制器 90000006000120 MATSB N1/A63 3 CB
LZMN1,80A,CB级,B型控制器 90000006000121 MATSB N1/A80 3 CB
LZMN1,100A,CB级,B型控制器 90000006000122 MATSB N1/A100 3 CB
LZMN1,125A,CB级,B型控制器 90000006000123 MATSB N1/A125 3 CB
LZMN1,160A,CB级,B型控制器 90000006000124 MATSB N1/A160 3 CB
LZMN2,160A,CB级,B型控制器 90000006000125 MATSB N2/A160 3 CB
LZMN2,200A,CB级,B型控制器 90000006000126 MATSB N2/A200 3 CB
LZMN2,250A,CB级,B型控制器 90000006000127 MATSB N2/A250 3 CB
LZMN3,320A,CB级,B型控制器 90000006000128 MATSB N3/A320 3 CB
LZMN3,400A,CB级,B型控制器 90000006000129 MATSB N3/A400 3 CB
LZMN3,500A,CB级,B型控制器 90000006000130 MATSB N3/A500 3 CB
LZMN3,630A,CB级,B型控制器 90000006000131 MATSB N3/AE630 3 CB
3P,C型控制器
LZMN1,20A,CB级,C型控制器 90000006000132 MATSC N1/A20 3 CB
LZMN1,25A,CB级,C型控制器 90000006000133 MATSC N1/A25 3 CB
LZMN1,32A,CB级,C型控制器 90000006000134 MATSC N1/A32 3 CB
LZMN1,40A,CB级,C型控制器 90000006000135 MATSC N1/A40 3 CB
LZMN1,50A,CB级,C型控制器 90000006000136 MATSC N1/A50 3 CB
LZMN1,63A,CB级,C型控制器 90000006000137 MATSC N1/A63 3 CB
LZMN1,80A,CB级,C型控制器 90000006000138 MATSC N1/A80 3 CB
LZMN1,100A,CB级,C型控制器 90000006000139 MATSC N1/A100 3 CB
LZMN1,125A,CB级,C型控制器 90000006000140 MATSC N1/A125 3 CB
LZMN1,160A,CB级,C型控制器 90000006000141 MATSC N1/A160 3 CB
LZMN2,160A,CB级,C型控制器 90000006000142 MATSC N2/A160 3 CB
LZMN2,200A,CB级,C型控制器 90000006000143 MATSC N2/A200 3 CB
LZMN2,250A,CB级,C型控制器 90000006000144 MATSC N2/A250 3 CB
LZMN3,320A,CB级,C型控制器 90000006000145 MATSC N3/A320 3 CB
LZMN3,400A,CB级,C型控制器 90000006000146 MATSC N3/A400 3 CB
LZMN3,500A,CB级,C型控制器 90000006000147 MATSC N3/A500 3 CB
LZMN3,630A,CB级,C型控制器 90000006000148 MATSC N3/AE630 3 CB
4P,A型控制器
LZMN1,20A,CB级,A型控制器 90000006000149 MATSA N1/A20 4 CB
LZMN1,25A,CB级,A型控制器 90000006000150 MATSA N1/A25 4 CB
LZMN1,32A,CB级,A型控制器 90000006000151 MATSA N1/A32 4 CB
LZMN1,40A,CB级,A型控制器 90000006000152 MATSA N1/A40 4 CB
LZMN1,50A,CB级,A型控制器 90000006000153 MATSA N1/A50 4 CB
LZMN1,63A,CB级,A型控制器 90000006000154 MATSA N1/A63 4 CB
LZMN1,80A,CB级,A型控制器 90000006000155 MATSA N1/A80 4 CB
LZMN1,100A,CB级,A型控制器 90000006000156 MATSA N1/A100 4 CB
LZMN1,125A,CB级,A型控制器 90000006000157 MATSA N1/A125 4 CB
LZMN1,160A,CB级,A型控制器 90000006000158 MATSA N1/A160 4 CB
LZMN2,160A,CB级,A型控制器 90000006000159 MATSA N2/A160 4 CB
LZMN2,200A,CB级,A型控制器 90000006000160 MATSA N2/A200 4 CB
LZMN2,250A,CB级,A型控制器 90000006000161 MATSA N2/A250 4 CB
LZMN3,320A,CB级,A型控制器 90000006000162 MATSA N3/A320 4 CB
LZMN3,400A,CB级,A型控制器 90000006000163 MATSA N3/A400 4 CB
LZMN3,500A,CB级,A型控制器 90000006000164 MATSA N3/A500 4 CB
LZMN3,630A,CB级,A型控制器 90000006000165 MATSA N3/AE630 4 CB
4P,B型控制器
LZMN1,20A,CB级,B型控制器 90000006000166 MATSB N1/A20 4 CB
LZMN1,25A,CB级,B型控制器 90000006000167 MATSB N1/A25 4 CB
LZMN1,32A,CB级,B型控制器 90000006000168 MATSB N1/A32 4 CB
LZMN1,40A,CB级,B型控制器 90000006000169 MATSB N1/A40 4 CB
LZMN1,50A,CB级,B型控制器 90000006000170 MATSB N1/A50 4 CB
LZMN1,63A,CB级,B型控制器 90000006000171 MATSB N1/A63 4 CB
LZMN1,80A,CB级,B型控制器 90000006000172 MATSB N1/A80 4 CB
LZMN1,100A,CB级,B型控制器 90000006000173 MATSB N1/A100 4 CB
LZMN1,125A,CB级,B型控制器 90000006000174 MATSB N1/A125 4 CB
LZMN1,160A,CB级,B型控制器 90000006000175 MATSB N1/A160 4 CB
LZMN2,160A,CB级,B型控制器 90000006000176 MATSB N2/A160 4 CB
LZMN2,200A,CB级,B型控制器 90000006000177 MATSB N2/A200 4 CB
LZMN2,250A,CB级,B型控制器 90000006000178 MATSB N2/A250 4 CB
LZMN3,320A,CB级,B型控制器 90000006000179 MATSB N3/A320 4 CB
LZMN3,400A,CB级,B型控制器 90000006000180 MATSB N3/A400 4 CB
LZMN3,500A,CB级,B型控制器 90000006000181 MATSB N3/A500 4 CB
LZMN3,630A,CB级,B型控制器 90000006000182 MATSB N3/AE630 4 CB
4P,C型控制器
LZMN1,20A,CB级,C型控制器 90000006000183 MATSC N1/A20 4 CB
LZMN1,25A,CB级,C型控制器 90000006000184 MATSC N1/A25 4 CB
LZMN1,32A,CB级,C型控制器 90000006000185 MATSC N1/A32 4 CB
LZMN1,40A,CB级,C型控制器 90000006000186 MATSC N1/A40 4 CB
LZMN1,50A,CB级,C型控制器 90000006000187 MATSC N1/A50 4 CB
LZMN1,63A,CB级,C型控制器 90000006000188 MATSC N1/A63 4 CB
LZMN1,80A,CB级,C型控制器 90000006000189 MATSC N1/A80 4 CB
LZMN1,100A,CB级,C型控制器 90000006000190 MATSC N1/A100 4 CB
LZMN1,125A,CB级,C型控制器 90000006000191 MATSC N1/A125 4 CB
LZMN1,160A,CB级,C型控制器 90000006000192 MATSC N1/A160 4 CB
LZMN2,160A,CB级,C型控制器 90000006000193 MATSC N2/A160 4 CB
LZMN2,200A,CB级,C型控制器 90000006000194 MATSC N2/A200 4 CB
LZMN2,250A,CB级,C型控制器 90000006000195 MATSC N2/A250 4 CB
LZMN3,320A,CB级,C型控制器 90000006000196 MATSC N3/A320 4 CB
LZMN3,400A,CB级,C型控制器 90000006000197 MATSC N3/A400 4 CB
LZMN3,500A,CB级,C型控制器 90000006000198 MATSC N3/A500 4 CB
LZMN3,630A,CB级,C型控制器 90000006000199 MATSC N3/AE630 4 CB
3P,A型控制器
LZMS1,20A,CB级,A型控制器 90000006000200 MATSA S1/A20 3 CB
LZMS1,25A,CB级,A型控制器 90000006000201 MATSA S1/A25 3 CB
LZMS1,32A,CB级,A型控制器 90000006000202 MATSA S1/A32 3 CB
LZMS1,40A,CB级,A型控制器 90000006000203 MATSA S1/A40 3 CB
LZMS1,50A,CB级,A型控制器 90000006000204 MATSA S1/A50 3 CB
LZMS1,63A,CB级,A型控制器 90000006000205 MATSA S1/A63 3 CB
LZMS1,80A,CB级,A型控制器 90000006000206 MATSA S1/A80 3 CB
LZMS1,100A,CB级,A型控制器 90000006000207 MATSA S1/A100 3 CB
LZMS1,125A,CB级,A型控制器 90000006000208 MATSA S1/A125 3 CB
LZMS1,160A,CB级,A型控制器 90000006000209 MATSA S1/A160 3 CB
LZMS2,160A,CB级,A型控制器 90000006000210 MATSA S2/A160 3 CB
LZMS2,200A,CB级,A型控制器 90000006000211 MATSA S2/A200 3 CB
LZMS2,250A,CB级,A型控制器 90000006000212 MATSA S2/A250 3 CB
LZMS3,320A,CB级,A型控制器 90000006000213 MATSA S3/A320 3 CB
LZMS3,400A,CB级,A型控制器 90000006000214 MATSA S3/A400 3 CB
LZMS3,500A,CB级,A型控制器 90000006000215 MATSA S3/A500 3 CB
LZMS3,630A,CB级,A型控制器 90000006000216 MATSA S3/AE630 3 CB
3P,B型控制器
LZMS1,20A,CB级,B型控制器 90000006000217 MATSB S1/A20 3 CB
LZMS1,25A,CB级,B型控制器 90000006000218 MATSB S1/A25 3 CB
LZMS1,32A,CB级,B型控制器 90000006000219 MATSB S1/A32 3 CB
LZMS1,40A,CB级,B型控制器 90000006000220 MATSB S1/A40 3 CB
LZMS1,50A,CB级,B型控制器 90000006000221 MATSB S1/A50 3 CB
LZMS1,63A,CB级,B型控制器 90000006000222 MATSB S1/A63 3 CB
LZMS1,80A,CB级,B型控制器 90000006000223 MATSB S1/A80 3 CB
LZMS1,100A,CB级,B型控制器 90000006000224 MATSB S1/A100 3 CB
LZMS1,125A,CB级,B型控制器 90000006000225 MATSB S1/A125 3 CB
LZMS1,160A,CB级,B型控制器 90000006000226 MATSB S1/A160 3 CB
LZMS2,160A,CB级,B型控制器 90000006000227 MATSB S2/A160 3 CB
LZMS2,200A,CB级,B型控制器 90000006000228 MATSB S2/A200 3 CB
LZMS2,250A,CB级,B型控制器 90000006000229 MATSB S2/A250 3 CB
LZMS3,320A,CB级,B型控制器 90000006000230 MATSB S3/A320 3 CB
LZMS3,400A,CB级,B型控制器 90000006000231 MATSB S3/A400 3 CB
LZMS3,500A,CB级,B型控制器 90000006000232 MATSB S3/A500 3 CB
LZMS3,630A,CB级,B型控制器 90000006000233 MATSB S3/AE630 3 CB
3P,C型控制器
LZMS1,20A,CB级,C型控制器 90000006000234 MATSC S1/A20 3 CB
LZMS1,25A,CB级,C型控制器 90000006000235 MATSC S1/A25 3 CB
LZMS1,32A,CB级,C型控制器 90000006000236 MATSC S1/A32 3 CB
LZMS1,40A,CB级,C型控制器 90000006000237 MATSC S1/A40 3 CB
LZMS1,50A,CB级,C型控制器 90000006000238 MATSC S1/A50 3 CB
LZMS1,63A,CB级,C型控制器 90000006000239 MATSC S1/A63 3 CB
LZMS1,80A,CB级,C型控制器 90000006000240 MATSC S1/A80 3 CB
LZMS1,100A,CB级,C型控制器 90000006000241 MATSC S1/A100 3 CB
LZMS1,125A,CB级,C型控制器 90000006000242 MATSC S1/A125 3 CB
LZMS1,160A,CB级,C型控制器 90000006000243 MATSC S1/A160 3 CB
LZMS2,160A,CB级,C型控制器 90000006000244 MATSC S2/A160 3 CB
LZMS2,200A,CB级,C型控制器 90000006000245 MATSC S2/A200 3 CB
LZMS2,250A,CB级,C型控制器 90000006000246 MATSC S2/A250 3 CB
LZMS3,320A,CB级,C型控制器 90000006000247 MATSC S3/A320 3 CB
LZMS3,400A,CB级,C型控制器 90000006000248 MATSC S3/A400 3 CB
LZMS3,500A,CB级,C型控制器 90000006000249 MATSC S3/A500 3 CB
LZMS3,630A,CB级,C型控制器 90000006000250 MATSC S3/AE630 3 CB
4P,A型控制器
LZMS1,20A,CB级,A型控制器 90000006000251 MATSA S1/A20 4 CB
LZMS1,25A,CB级,A型控制器 90000006000252 MATSA S1/A25 4 CB
LZMS1,32A,CB级,A型控制器 90000006000253 MATSA S1/A32 4 CB
LZMS1,40A,CB级,A型控制器 90000006000254 MATSA S1/A40 4 CB
LZMS1,50A,CB级,A型控制器 90000006000255 MATSA S1/A50 4 CB
LZMS1,63A,CB级,A型控制器 90000006000256 MATSA S1/A63 4 CB
LZMS1,80A,CB级,A型控制器 90000006000257 MATSA S1/A80 4 CB
LZMS1,100A,CB级,A型控制器 90000006000258 MATSA S1/A100 4 CB
LZMS1,125A,CB级,A型控制器 90000006000259 MATSA S1/A125 4 CB
LZMS1,160A,CB级,A型控制器 90000006000260 MATSA S1/A160 4 CB
LZMS2,160A,CB级,A型控制器 90000006000261 MATSA S2/A160 4 CB
LZMS2,200A,CB级,A型控制器 90000006000262 MATSA S2/A200 4 CB
LZMS2,250A,CB级,A型控制器 90000006000263 MATSA S2/A250 4 CB
LZMS3,320A,CB级,A型控制器 90000006000264 MATSA S3/A320 4 CB
LZMS3,400A,CB级,A型控制器 90000006000265 MATSA S3/A400 4 CB
LZMS3,500A,CB级,A型控制器 90000006000266 MATSA S3/A500 4 CB
LZMS3,630A,CB级,A型控制器 90000006000267 MATSA S3/AE630 4 CB
4P,B型控制器
LZMS1,20A,CB级,B型控制器 90000006000268 MATSB S1/A20 4 CB
LZMS1,25A,CB级,B型控制器 90000006000269 MATSB S1/A25 4 CB
LZMS1,32A,CB级,B型控制器 90000006000270 MATSB S1/A32 4 CB
LZMS1,40A,CB级,B型控制器 90000006000271 MATSB S1/A40 4 CB
LZMS1,50A,CB级,B型控制器 90000006000272 MATSB S1/A50 4 CB
LZMS1,63A,CB级,B型控制器 90000006000273 MATSB S1/A63 4 CB
LZMS1,80A,CB级,B型控制器 90000006000274 MATSB S1/A80 4 CB
LZMS1,100A,CB级,B型控制器 90000006000275 MATSB S1/A100 4 CB
LZMS1,125A,CB级,B型控制器 90000006000276 MATSB S1/A125 4 CB
LZMS1,160A,CB级,B型控制器 90000006000277 MATSB S1/A160 4 CB
LZMS2,160A,CB级,B型控制器 90000006000278 MATSB S2/A160 4 CB
LZMS2,200A,CB级,B型控制器 90000006000279 MATSB S2/A200 4 CB
LZMS2,250A,CB级,B型控制器 90000006000280 MATSB S2/A250 4 CB
LZMS3,320A,CB级,B型控制器 90000006000281 MATSB S3/A320 4 CB
LZMS3,400A,CB级,B型控制器 90000006000282 MATSB S3/A400 4 CB
LZMS3,500A,CB级,B型控制器 90000006000283 MATSB S3/A500 4 CB
LZMS3,630A,CB级,B型控制器 90000006000284 MATSB S3/AE630 4 CB
4P,C型控制器
LZMS1,20A,CB级,C型控制器 90000006000285 MATSC S1/A20 4 CB
LZMS1,25A,CB级,C型控制器 90000006000286 MATSC S1/A25 4 CB
LZMS1,32A,CB级,C型控制器 90000006000287 MATSC S1/A32 4 CB
LZMS1,40A,CB级,C型控制器 90000006000288 MATSC S1/A40 4 CB
LZMS1,50A,CB级,C型控制器 90000006000289 MATSC S1/A50 4 CB
LZMS1,63A,CB级,C型控制器 90000006000290 MATSC S1/A63 4 CB
LZMS1,80A,CB级,C型控制器 90000006000291 MATSC S1/A80 4 CB
LZMS1,100A,CB级,C型控制器 90000006000292 MATSC S1/A100 4 CB
LZMS1,125A,CB级,C型控制器 90000006000293 MATSC S1/A125 4 CB
LZMS1,160A,CB级,C型控制器 90000006000294 MATSC S1/A160 4 CB
LZMS2,160A,CB级,C型控制器 90000006000295 MATSC S2/A160 4 CB
LZMS2,200A,CB级,C型控制器 90000006000296 MATSC S2/A200 4 CB
LZMS2,250A,CB级,C型控制器 90000006000297 MATSC S2/A250 4 CB
LZMS3,320A,CB级,C型控制器 90000006000298 MATSC S3/A320 4 CB
LZMS3,400A,CB级,C型控制器 90000006000299 MATSC S3/A400 4 CB
LZMS3,500A,CB级,C型控制器 90000006000300 MATSC S3/A500 4 CB
LZMS3,630A,CB级,C型控制器 90000006000301 MATSC S3/AE630 4 CB
微型断路器双电源PL9 A型控制器
PL9,0.5A,C型脱扣,CB级 90000021000001 MATSA9/C0.5 2 CB  
PL9,1A,C型脱扣,CB级 90000021000002 MATSA9/C1 2 CB  
PL9,2A,C型脱扣,CB级 90000021000003 MATSA9/C2 2 CB  
PL9,3A,C型脱扣,CB级 90000021000004 MATSA9/C3 2 CB  
PL9,4A,C型脱扣,CB级 90000021000005 MATSA9/C4 2 CB  
PL9,6A,C型脱扣,CB级 90000021000006 MATSA9/C6 2 CB  
PL9,10A,C型脱扣,CB级 90000021000007 MATSA9/C10 2 CB  
PL9,13A,C型脱扣,CB级 90000021000008 MATSA9/C13 2 CB  
PL9,16A,C型脱扣,CB级 90000021000009 MATSA9/C16 2 CB  
PL9,20A,C型脱扣,CB级 90000021000010 MATSA9/C20 2 CB  
PL9,25A,C型脱扣,CB级 90000021000011 MATSA9/C25 2 CB  
PL9,32A,C型脱扣,CB级 90000021000012 MATSA9/C32 2 CB  
PL9,40A,C型脱扣,CB级 90000021000013 MATSA9/C40 2 CB  
PL9,50A,C型脱扣,CB级 90000021000014 MATSA9/C50 2 CB  
PL9,63A,C型脱扣,CB级 90000021000015 MATSA9/C63 2 CB 
PL9,0.5A,C型脱扣,CB级 90000021000016 MATSA9/C0.5 3 CB  
PL9,1A,C型脱扣,CB级 90000021000017 MATSA9/C1 3 CB  
PL9,2A,C型脱扣,CB级 90000021000018 MATSA9/C2 3 CB  
PL9,3A,C型脱扣,CB级 90000021000019 MATSA9/C3 3 CB  
PL9,4A,C型脱扣,CB级 90000021000020 MATSA9/C4 3 CB  
PL9,6A,C型脱扣,CB级 90000021000021 MATSA9/C6 3 CB  
PL9,10A,C型脱扣,CB级 90000021000022 MATSA9/C10 3 CB  
PL9,13A,C型脱扣,CB级 90000021000023 MATSA9/C13 3 CB  
PL9,16A,C型脱扣,CB级 90000021000024 MATSA9/C16 3 CB  
PL9,20A,C型脱扣,CB级 90000021000025 MATSA9/C20 3 CB  
PL9,25A,C型脱扣,CB级 90000021000026 MATSA9/C25 3 CB  
PL9,32A,C型脱扣,CB级 90000021000027 MATSA9/C32 3 CB  
PL9,40A,C型脱扣,CB级 90000021000028 MATSA9/C40 3 CB  
PL9,50A,C型脱扣,CB级 90000021000029 MATSA9/C50 3 CB  
PL9,63A,C型脱扣,CB级 90000021000030 MATSA9/C63 3 CB  
PL9,0.5A,C型脱扣,CB级 90000021000031 MATSA9/C0.5 4 CB  
PL9,1A,C型脱扣,CB级 90000021000032 MATSA9/C1 4 CB  
PL9,2A,C型脱扣,CB级 90000021000033 MATSA9/C2 4 CB  
PL9,3A,C型脱扣,CB级 90000021000034 MATSA9/C3 4 CB  
PL9,4A,C型脱扣,CB级 90000021000035 MATSA9/C4 4 CB  
PL9,6A,C型脱扣,CB级 90000021000036 MATSA9/C6 4 CB  
PL9,10A,C型脱扣,CB级 90000021000037 MATSA9/C10 4 CB  
PL9,13A,C型脱扣,CB级 90000021000038 MATSA9/C13 4 CB  
PL9,16A,C型脱扣,CB级 90000021000039 MATSA9/C16 4 CB  
PL9,20A,C型脱扣,CB级 90000021000040 MATSA9/C20 4 CB  
PL9,25A,C型脱扣,CB级 90000021000041 MATSA9/C25 4 CB  
PL9,32A,C型脱扣,CB级 90000021000042 MATSA9/C32 4 CB  
PL9,40A,C型脱扣,CB级 90000021000043 MATSA9/C40 4 CB  
PL9,50A,C型脱扣,CB级 90000021000044 MATSA9/C50 4 CB  
PL9,63A,C型脱扣,CB级 90000021000045 MATSA9/C63 4 CB 
PL9,0.5A,D型脱扣,CB级 90000021000046 MATSA9/D0.5 2 CB  
PL9,1A,D型脱扣,CB级 90000021000047 MATSA9/D1 2 CB  
PL9,2A,D型脱扣,CB级 90000021000048 MATSA9/D2 2 CB
PL9,3A,D型脱扣,CB级 90000021000049 MATSA9/D3 2 CB  
PL9,4A,D型脱扣,CB级 90000021000050 MATSA9/D4 2 CB  
PL9,6A,D型脱扣,CB级 90000021000051 MATSA9/D6 2 CB  
PL9,10A,D型脱扣,CB级 90000021000052 MATSA9/D10 2 CB  
PL9,13A,D型脱扣,CB级 90000021000053 MATSA9/D13 2 CB  
PL9,16A,D型脱扣,CB级 90000021000054 MATSA9/D16 2 CB  
PL9,20A,D型脱扣,CB级 90000021000055 MATSA9/D20 2 CB  
PL9,25A,D型脱扣,CB级 90000021000056 MATSA9/D25 2 CB  
PL9,32A,D型脱扣,CB级 90000021000057 MATSA9/D32 2 CB  
PL9,40A,D型脱扣,CB级 90000021000058 MATSA9/D40 2 CB 
PL9,0.5A,D型脱扣,CB级 90000021000059 MATSA9/D0.5 3 CB  
PL9,1A,D型脱扣,CB级 90000021000060 MATSA9/D1 3 CB  
PL9,2A,D型脱扣,CB级 90000021000061 MATSA9/D2 3 CB  
PL9,3A,D型脱扣,CB级 90000021000062 MATSA9/D3 3 CB  
PL9,4A,D型脱扣,CB级 90000021000063 MATSA9/D4 3 CB  
PL9,6A,D型脱扣,CB级 90000021000064 MATSA9/D6 3 CB  
PL9,10A,D型脱扣,CB级 90000021000065 MATSA9/D10 3 CB  
PL9,13A,D型脱扣,CB级 90000021000066 MATSA9/D13 3 CB  
PL9,16A,D型脱扣,CB级 90000021000067 MATSA9/D16 3 CB  
PL9,20A,D型脱扣,CB级 90000021000068 MATSA9/D20 3 CB  
PL9,25A,D型脱扣,CB级 90000021000069 MATSA9/D25 3 CB  
PL9,32A,D型脱扣,CB级 90000021000070 MATSA9/D32 3 CB  
PL9,40A,D型脱扣,CB级 90000021000071 MATSA9/D40 3 CB  
PL9,0.5A,D型脱扣,CB级 90000021000072 MATSA9/D0.5 4 CB  
PL9,1A,D型脱扣,CB级 90000021000073 MATSA9/D1 4 CB  
PL9,2A,D型脱扣,CB级 90000021000074 MATSA9/D2 4 CB  
PL9,3A,D型脱扣,CB级 90000021000075 MATSA9/D3 4 CB  
PL9,4A,D型脱扣,CB级 90000021000076 MATSA9/D4 4 CB  
PL9,6A,D型脱扣,CB级 90000021000077 MATSA9/D6 4 CB  
PL9,10A,D型脱扣,CB级 90000021000078 MATSA9/D10 4 CB  
PL9,13A,D型脱扣,CB级 90000021000079 MATSA9/D13 4 CB  
PL9,16A,D型脱扣,CB级 90000021000080 MATSA9/D16 4 CB  
PL9,20A,D型脱扣,CB级 90000021000081 MATSA9/D20 4 CB  
PL9,25A,D型脱扣,CB级 90000021000082 MATSA9/D25 4 CB  
PL9,32A,D型脱扣,CB级 90000021000083 MATSA9/D32 4 CB  
PL9,40A,D型脱扣,CB级 90000021000084 MATSA9/D40 4 CB  
微型断路器双电源PL9 B型控制器
PL9,0.5A,C型脱扣,CB级 90000021000085 MATSB9/C0.5 3 CB  
PL9,1A,C型脱扣,CB级 90000021000086 MATSB9/C1 3 CB  
PL9,2A,C型脱扣,CB级 90000021000087 MATSB9/C2 3 CB  
PL9,3A,C型脱扣,CB级 90000021000088 MATSB9/C3 3 CB  
PL9,4A,C型脱扣,CB级 90000021000089 MATSB9/C4 3 CB  
PL9,6A,C型脱扣,CB级 90000021000090 MATSB9/C6 3 CB  
PL9,10A,C型脱扣,CB级 90000021000091 MATSB9/C10 3 CB  
PL9,13A,C型脱扣,CB级 90000021000092 MATSB9/C13 3 CB  
PL9,16A,C型脱扣,CB级 90000021000093 MATSB9/C16 3 CB  
PL9,20A,C型脱扣,CB级 90000021000094 MATSB9/C20 3 CB  
PL9,25A,C型脱扣,CB级 90000021000095 MATSB9/C25 3 CB  
PL9,32A,C型脱扣,CB级 90000021000096 MATSB9/C32 3 CB  
PL9,40A,C型脱扣,CB级 90000021000097 MATSB9/C40 3 CB 
PL9,50A,C型脱扣,CB级 90000021000098 MATSB9/C50 3 CB  
PL9,63A,C型脱扣,CB级 90000021000099 MATSB9/C63 3 CB
PL9,0.5A,C型脱扣,CB级 90000021000100 MATSB9/C0.5 4 CB  
PL9,1A,C型脱扣,CB级 90000021000101 MATSB9/C1 4 CB  
PL9,2A,C型脱扣,CB级 90000021000102 MATSB9/C2 4 CB  
PL9,3A,C型脱扣,CB级 90000021000103 MATSB9/C3 4 CB  
PL9,4A,C型脱扣,CB级 90000021000104 MATSB9/C4 4 CB  
PL9,6A,C型脱扣,CB级 90000021000105 MATSB9/C6 4 CB  
PL9,10A,C型脱扣,CB级 90000021000106 MATSB9/C10 4 CB  
PL9,13A,C型脱扣,CB级 90000021000107 MATSB9/C13 4 CB  
PL9,16A,C型脱扣,CB级 90000021000108 MATSB9/C16 4 CB  
PL9,20A,C型脱扣,CB级 90000021000109 MATSB9/C20 4 CB  
PL9,25A,C型脱扣,CB级 90000021000110 MATSB9/C25 4 CB  
PL9,32A,C型脱扣,CB级 90000021000111 MATSB9/C32 4 CB  
PL9,40A,C型脱扣,CB级 90000021000112 MATSB9/C40 4 CB  
PL9,50A,C型脱扣,CB级 90000021000113 MATSB9/C50 4 CB  
PL9,63A,C型脱扣,CB级 90000021000114 MATSB9/C63 4 CB  
微型断路器双电源PL9 D型脱扣曲线
PL9,0.5A,D型脱扣,CB级 90000021000115 MATSB9/D0.5 3 CB  
PL9,1A,D型脱扣,CB级 90000021000116 MATSB9/D1 3 CB  
PL9,2A,D型脱扣,CB级 90000021000117 MATSB9/D2 3 CB  
PL9,3A,D型脱扣,CB级 90000021000118 MATSB9/D3 3 CB  
PL9,4A,D型脱扣,CB级 90000021000119 MATSB9/D4 3 CB  
PL9,6A,D型脱扣,CB级 90000021000120 MATSB9/D6 3 CB  
PL9,10A,D型脱扣,CB级 90000021000121 MATSB9/D10 3 CB  
PL9,13A,D型脱扣,CB级 90000021000122 MATSB9/D13 3 CB  
PL9,16A,D型脱扣,CB级 90000021000123 MATSB9/D16 3 CB  
PL9,20A,D型脱扣,CB级 90000021000124 MATSB9/D20 3 CB  
PL9,25A,D型脱扣,CB级 90000021000125 MATSB9/D25 3 CB  
PL9,32A,D型脱扣,CB级 90000021000126 MATSB9/D32 3 CB  
PL9,40A,D型脱扣,CB级 90000021000127 MATSB9/D40 3 CB  
PL9,0.5A,D型脱扣,CB级 90000021000128 MATSB9/D0.5 4 CB  
PL9,1A,D型脱扣,CB级 90000021000129 MATSB9/D1 4 CB  
PL9,2A,D型脱扣,CB级 90000021000130 MATSB9/D2 4 CB  
PL9,3A,D型脱扣,CB级 90000021000131 MATSB9/D3 4 CB  
PL9,4A,D型脱扣,CB级 90000021000132 MATSB9/D4 4 CB  
PL9,6A,D型脱扣,CB级 90000021000133 MATSB9/D6 4 CB  
PL9,10A,D型脱扣,CB级 90000021000134 MATSB9/D10 4 CB  
PL9,13A,D型脱扣,CB级 90000021000135 MATSB9/D13 4 CB  
PL9,16A,D型脱扣,CB级 90000021000136 MATSB9/D16 4 CB  
PL9,20A,D型脱扣,CB级 90000021000137 MATSB9/D20 4 CB  
PL9,25A,D型脱扣,CB级 90000021000138 MATSB9/D25 4 CB  
PL9,32A,D型脱扣,CB级 90000021000139 MATSB9/D32 4 CB  
PL9,40A,D型脱扣,CB级 90000021000140 MATSB9/D40 4 CB
微型断路器双电源PL9 C型控制器
PL9,0.5A,C型脱扣,CB级 90000021000141 MATSC9/C0.5 3 CB  
PL9,1A,C型脱扣,CB级 90000021000142 MATSC9/C1 3 CB  
PL9,2A,C型脱扣,CB级 90000021000143 MATSC9/C2 3 CB
PL9,3A,C型脱扣,CB级 90000021000144 MATSC9/C3 3 CB  
PL9,4A,C型脱扣,CB级 90000021000145 MATSC9/C4 3 CB  
PL9,6A,C型脱扣,CB级 90000021000146 MATSC9/C6 3 CB  
PL9,10A,C型脱扣,CB级 90000021000147 MATSC9/C10 3 CB  
PL9,13A,C型脱扣,CB级 90000021000148 MATSC9/C13 3 CB  
PL9,16A,C型脱扣,CB级 90000021000149 MATSC9/C16 3 CB  
PL9,20A,C型脱扣,CB级 90000021000150 MATSC9/C20 3 CB  
PL9,25A,C型脱扣,CB级 90000021000151 MATSC9/C25 3 CB  
PL9,32A,C型脱扣,CB级 90000021000152 MATSC9/C32 3 CB  
PL9,40A,C型脱扣,CB级 90000021000153 MATSC9/C40 3 CB  
PL9,50A,C型脱扣,CB级 90000021000154 MATSC9/C50 3 CB  
PL9,63A,C型脱扣,CB级 90000021000155 MATSC9/C63 3 CB
PL9,0.5A,C型脱扣,CB级 90000021000156 MATSC9/C0.5 4 CB  
PL9,1A,C型脱扣,CB级 90000021000157 MATSC9/C1 4 CB  
PL9,2A,C型脱扣,CB级 90000021000158 MATSC9/C2 4 CB  
PL9,3A,C型脱扣,CB级 90000021000159 MATSC9/C3 4 CB  
PL9,4A,C型脱扣,CB级 90000021000160 MATSC9/C4 4 CB  
PL9,6A,C型脱扣,CB级 90000021000161 MATSC9/C6 4 CB  
PL9,10A,C型脱扣,CB级 90000021000162 MATSC9/C10 4 CB  
PL9,13A,C型脱扣,CB级 90000021000163 MATSC9/C13 4 CB  
PL9,16A,C型脱扣,CB级 90000021000164 MATSC9/C16 4 CB  
PL9,20A,C型脱扣,CB级 90000021000165 MATSC9/C20 4 CB  
PL9,25A,C型脱扣,CB级 90000021000166 MATSC9/C25 4 CB  
PL9,32A,C型脱扣,CB级 90000021000167 MATSC9/C32 4 CB  
PL9,40A,C型脱扣,CB级 90000021000168 MATSC9/C40 4 CB  
PL9,50A,C型脱扣,CB级 90000021000169 MATSC9/C50 4 CB  
PL9,63A,C型脱扣,CB级 90000021000170 MATSC9/C63 4 CB  
PL9,0.5A,D型脱扣,CB级 90000021000171 MATSC9/D0.5 3 CB  
PL9,1A,D型脱扣,CB级 90000021000172 MATSC9/D1 3 CB  
PL9,2A,D型脱扣,CB级 90000021000173 MATSC9/D2 3 CB  
PL9,3A,D型脱扣,CB级 90000021000174 MATSC9/D3 3 CB  
PL9,4A,D型脱扣,CB级 90000021000175 MATSC9/D4 3 CB  
PL9,6A,D型脱扣,CB级 90000021000176 MATSC9/D6 3 CB  
PL9,10A,D型脱扣,CB级 90000021000177 MATSC9/D10 3 CB  
PL9,13A,D型脱扣,CB级 90000021000178 MATSC9/D13 3 CB  
PL9,16A,D型脱扣,CB级 90000021000179 MATSC9/D16 3 CB  
PL9,20A,D型脱扣,CB级 90000021000180 MATSC9/D20 3 CB  
PL9,25A,D型脱扣,CB级 90000021000181 MATSC9/D25 3 CB  
PL9,32A,D型脱扣,CB级 90000021000182 MATSC9/D32 3 CB  
PL9,40A,D型脱扣,CB级 90000021000183 MATSC9/D40 3 CB  
PL9,0.5A,D型脱扣,CB级 90000021000184 MATSC9/D0.5 4 CB  
PL9,1A,D型脱扣,CB级 90000021000185 MATSC9/D1 4 CB  
PL9,2A,D型脱扣,CB级 90000021000186 MATSC9/D2 4 CB  
PL9,3A,D型脱扣,CB级 90000021000187 MATSC9/D3 4 CB  
PL9,4A,D型脱扣,CB级 90000021000188 MATSC9/D4 4 CB  
PL9,6A,D型脱扣,CB级 90000021000189 MATSC9/D6 4 CB  
PL9,10A,D型脱扣,CB级 90000021000190 MATSC9/D10 4 CB  
PL9,13A,D型脱扣,CB级 90000021000191 MATSC9/D13 4 CB  
PL9,16A,D型脱扣,CB级 90000021000192 MATSC9/D16 4 CB 
PL9,20A,D型脱扣,CB级 90000021000193 MATSC9/D20 4 CB  
PL9,25A,D型脱扣,CB级 90000021000194 MATSC9/D25 4 CB  
PL9,32A,D型脱扣,CB级 90000021000195 MATSC9/D32 4 CB  
PL9,40A,D型脱扣,CB级 90000021000196 MATSC9/D40 4 CB
负荷隔离开关IS,3P,A型控制器
IS-32/3,PC级 90000021000197 MATSP-1/32 3 PC
IS-40/3,PC级 90000021000198 MATSP-1/40 3 PC
IS-63/3,PC级 90000021000199 MATSP-1/63 3 PC
IS-80/3,PC级 90000021000200 MATSP-1/80 3 PC
IS-100/3,PC级 90000021000201 MATSP-1/100 3 PC
IS-125/3,PC级 90000021000202 MATSP-1/125 3 PC
负荷隔离开关IS,4P,A型控制器
IS-32/4,PC级 90000021000203 MATSP-1/32 4 PC
IS-40/4,PC级 90000021000204 MATSP-1/40 4 PC
IS-63/4,PC级 90000021000205 MATSP-1/63 4 PC
IS-80/4,PC级 90000021000206 MATSP-1/80 4 PC
IS-100/4,PC级 90000021000207 MATSP-1/100 4 PC
IS-125/4,PC级 90000021000208 MATSP-1/125 4 PC
负荷隔离开关PN,3P,A型控制器
PN1-100,PC级,A型控制器 90000021000209 MATSPA-1/100 3 PC
PN1-160,PC级,A型控制器 90000021000210 MATSPA-1/160 3 PC
PN2-250,PC级,A型控制器 90000021000211 MATSPA-2/250 3 PC
PN3-400,PC级,A型控制器 90000021000212 MATSPA-3/400 3 PC
PN3-630,PC级,A型控制器 90000021000213 MATSPA-3/630 3 PC
负荷隔离开关PN,3P,B型控制器
PN1-100,PC级,B型控制器 90000021000214 MATSPB-1/100 3 PC
PN1-160,PC级,B型控制器 90000021000215 MATSPB-1/160 3 PC
PN2-250,PC级,B型控制 90000021000216 MATSPB-2/250 3 PC
PN3-400,PC级,B型控制器 90000021000217 MATSPB-3/400 3 PC
PN3-630,PC级,B型控制器 90000021000218 MATSPB-3/630 3 PC
负荷隔离开关PN,3P,C型控制器
PN1-100,PC级,C型控制器 90000021000219 MATSPC-1/100 3 PC
PN1-160,PC级,C型控制器 90000021000220 MATSPC-1/160 3 PC
PN2-250,PC级,C型控制器 90000021000221 MATSPC-2/250 3 PC
PN3-400,PC级,C型控制器 90000021000222 MATSPC-3/400 3 PC
PN3-630,PC级,C型控制器 90000021000223 MATSPC-3/630 3 PC
负荷隔离开关PN,4P,A型控制器
PN1-4-100,PC级,A型控制器 90000021000224 MATSPA-1/100 4 PC
PN1-4-160,PC级,A型控制器 90000021000225 MATSPA-1/160 4 PC
PN2-4-250,PC级,A型控制器 90000021000226 MATSPA-2/250 4 PC
PN3-4-400,PC级,A型控制器 90000021000227 MATSPA-3/400 4 PC
PN3-4-630,PC级,A型控制器 90000021000228 MATSPA-3/630 4 PC
负荷隔离开关PN,4P,B型控制器
PN1-4-100,PC级,B型控制器 90000021000229 MATSPB-1/100 4 PC
PN1-4-160,PC级,B型控制 90000021000230 MATSPB-1/160 4 PC
PN2-4-250,PC级,B型控制器 90000021000231 MATSPB-2/250 4 PC
PN3-4-400,PC级,B型控制器 90000021000232 MATSPB-3/400 4 PC
PN3-4-630,PC级,B型控制器 90000021000233 MATSPB-3/630 4 PC
负荷隔离开关PN,4P,C型控制器
PN1-4-100,PC级,C型控制器 90000021000234 MATSPC-1/100 4 PC
PN1-4-160,PC级,C型控制器 90000021000235 MATSPC-1/160 4 PC
PN2-4-250,PC级,C型控制器 90000021000236 MATSPC-2/250 4 PC
PN3-4-400,PC级,C型控制器 90000021000237 MATSPC-3/400 4 PC
PN3-4-630,PC级,C型控制器 90000021000238 MATSPC-3/630 4 PC

作者:山合海融 来源:山合海融


共有评论 0相关评论
发表我的评论
  • 大名:
  • 内容:
  • 上海山合海融商贸有限公司(51082245.com) © 2014 版权所有 All Rights Reserved.
  • 沪ICP备09041411号
  • Powered by 上海山合海融