|
一、适用范围:
CJX1系列交流接触器适用于交流50Hz或60Hz,电压至于660V,额定电流至630A的电力线路中,供远距离和控制电动机接通与分断,接触器的控制电路有交流(AC)和直流(DC)二种。两台接触器加装机械联锁机构,组成可逆接触器,适合于电梯电路以及需要电气与机械双重联锁的电路。接触器可方便地与JRS系列热过载继电器对接组成电动机起动器。接触器的特性及安装尺寸等同于德国西门子公司生产的3TB、3TF、3TD接触器。 |
|
|
| 二,型号及其含义: |
三,结构特征: |

注:在型号后加“B”表示改型;加“Z”表示控制圈为直流;加“N”表示机构联锁(可逆接触器)。
|
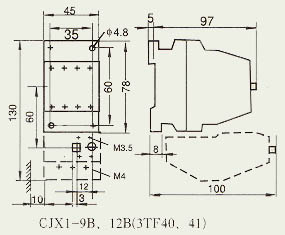
接触器为正装直动式结构,触头为双断点,具有三对主触头和若干对常开、常闭辅助触头。Ie≥45A接触器触头Z多为4常开、4常闭。Ie≥32A接触器具有灭弧装置。全系列接触器均有动作指示件。接触器的触头材料按不同的电流等级选用不同的高抗熔性及耐磨损银基合金。所有接线端子均有符合GJ标准的YJ性的标志,接线螺钉均采用自升式螺钉和新型垫圈,既可BZ接线的KK性又能节省接线时间。全系列接触器均用螺钉安装,Ie≤32A接触器还可采用35EN50022型标准卡轨安装。 |
四、主要技术参数 |
| 1、产品符合、、、等标准 |
| 2、主要性能(见表2) |
| 3、辅助触头主要技术参数(见表1) |
|
表1
|
型 号
|
CJX1-9-22
|
CJX1-32
|
CJX1-45-110
|
CJX1-110-630
|
|
额定工作电流(A)
|
AC-11(380V)
|
6
|
4
|
4
|
4
|
|
DC-11(220V)
|
0.45
|
0.45
|
0.9
|
1.1
|
|
电寿命(万次)
|
120
|
|
|
表2
 |
(3TB40)
CJX1-9 |
(3TB41)
CJX1-12
|
(3TB42)
CJX1-16 |
(3TB43)
CJX1-22 |
(3TB44)
CJX1-32 |
(3TF46)
CJX1-45 |
(3TF47)
CJX1-63 |
(3TF48)
CJX1-75 |
(3TF49)
CJX1-85 |
(3TF50)
CJX1-110 |
(3TF51)
CJX1-140 |
(3TF52)
CJX1-170 |
(3TF53)
CJX1-205 |
(3TF54)
CJX1-250 |
(3TF55)
CJX1-300 |
(3TF56)
CJX1-400 |
(3TF68)
CJX1-630 |
|
额定绝缘电压
(V)
|
660 |
660 |
660 |
660 |
660 |
750 |
(750) |
1000 |
1000 |
1000 |
1000 |
1000 |
1000 |
1000 |
1000 |
1000 |
1000 |
|
机械寿命百万次
|
10 |
10 |
10 |
10 |
8 |
8 |
8 |
6 |
6 |
6 |
6 |
6 |
6 |
6 |
6 |
6 |
4 |
|
A
C
|
3
负
载
|
额定工作电流(380V)A |
9 |
12 |
16 |
22 |
32 |
45 |
63 |
75 |
85 |
110 |
140 |
170 |
205 |
250 |
300 |
400 |
630 |
|
|
2.2 |
3 |
4 |
5.5 |
8.5 |
15 |
18 |
22 |
26 |
37 |
44 |
55 |
64 |
75 |
85 |
115 |
190 |
额定控制功率(380V)KW |
4 |
5.5 |
7.5 |
11 |
15 |
22 |
30 |
37 |
45 |
55 |
75 |
90 |
110 |
132 |
150 |
200 |
325 |
电寿命(万次) |
100 |
100 |
100 |
100 |
80 |
60 |
60 |
60 |
60 |
60 |
60 |
60 |
60 |
60 |
60 |
60 |
40 |
|
A
C
|
4
负
载
|
额定工作电流(380)A |
3.3 |
4.3 |
7.7 |
8.5 |
12 |
24 |
28 |
34 |
42 |
54 |
68 |
75 |
- |
103 |
- |
120 |
150 |
额定控制功率(220V)KW |
0.75 |
1.1 |
2 |
2.2 |
4.3 |
6.3
(6.5) |
5.7
(8) |
7.8 |
9.7 |
15.6 |
15.6 |
21 |
- |
31 |
- |
37.5 |
46 |
额定控制功率(380V)KW |
1.4 |
1.9 |
3.5 |
4 |
7.5 |
11
(12) |
14 |
17 |
17 |
27 |
27 |
37 |
- |
55 |
- |
65 |
80 |
电寿命(万次) |
20 |
20 |
20 |
20 |
20 |
15 |
15 |
10 |
10 |
10 |
10 |
10 |
10 |
10 |
- |
10 |
8 |
|