带电作业用绝缘产品
绝缘手套
高压绝缘手套(6)
低压绝缘手套(3)
保护手套(7)
手套检查仪器(2)
绝缘鞋帽(9)
绝缘衣裤(11)
绝缘护具(31)
绝缘操作杆(16)
防电弧护具及服装(22)
张力架线设备
张力放线设备(22)
地下线缆施工设备(11)
张力放线施工附件(11)
架空及地下电缆施工附件(26)
液压工具及压接机
液压泵
引擎泵(6)
手动/脚踏泵(6)
电动泵(11)
充电式泵(1)
压接机
充电式压接机(33)
手动压接机(25)
免换模压接机(5)
3.5-15吨压接机(17)
20-50吨压接机(4)
60吨压接机(5)
100吨压接机(4)
200吨压接机(5)
弯曲机弯管机
弯管机(5)
其他弯曲机(2)
液压切刀
充电式液体切刀(22)
手动式液体切刀(27)
分体式液体切刀(20)
电锯切断(3)
高低压检电测试仪器
绝缘产品测试仪器(11)
核相器、检电器(16)
电力测试仪(27)
活电警报器(4)
电线电缆处理工具
中低压电缆剥皮工具(13)
高压电缆剥皮工具(23)
高空防坠器
FUJII防坠
安全带(38)
防坠落护具(11)
工作平台及脚踏板(5)
KARAM安全
背负式安全带(11)
救援及防坠(7)
安全挂绳及辅助绳(26)
金属加工工具
钢筋切断、弯曲机(13)
螺帽破碎机(2)
角钢加工机(16)
磁性座钻孔机(6)
钢板加工机(11)
薄铁板加工机(15)
母线加工机
母线切断设备(5)
母线冲孔设备(3)
母线弯曲设备(5)
多功能母线加工机(2)
进口仪器仪表
美国RYCOM电缆寻踪识别仪(6)
8879三频率地下电缆、管线路径探测仪
8850 系列双频率地下电缆、管线路径探测仪
8831大功率长距离单频率地下电缆、管线路径探测仪
RI-200 管道检查摄像仪
LD8000 检漏仪
V700型探地雷达(暗管探测仪)
美国HD公司电气测试仪器(10)
HALO高压电流表
DVM-80 0-40KV/80KV 高压核相器
PD800 208V-800KV 四合一无线高压核相器
DVI100带有电压指示的验电器
IT-4绝缘子带电测试仪
RT200绝缘绳索测试仪
AT-100 避雷器质量在线测试仪
HiSat避雷器测试仪
TILT II / Quick-Check:变压器(电容器)快速测试仪
DVI500 高压电压表(带有电压指示功能的验电器)
英国TINSLEY电气测试仪器(7)
5893型便携式数字微欧计
5896C60A变压器直流电阻测试仪
5897(5898)便携式100A(200A)JQ微欧计
5867便携式数字Q表
5762N 便携式电缆单点绝缘故障测试仪
4167P型变压器变比仪
4720型便携式9级高电阻箱
美国High Voltage电力仪器(4)
DTS-60 /DTS100 60/100KV绝缘油耐压测试仪
PFT系列便携式交流耐压试验仪
PTS系列高压测试仪
VLFC低频交流测试仪
美国SE公司红外热像仪(3)
HD640 640X480红外热像仪
HD160手持式红外热像仪
HD384手持式红外热像仪
英国梅克罗尼C声波流量计(6)
PF204 & 216小管径管道专用流量计
PFSE便携式C声流量计
PF300便携式C声波流量计
PF600便携式发电机定子流量测试仪
U2000在线安装式C声波流量计
PF300/PF204/PF216PLUS新便携式C声波流量计
加拿大格林C声波流量计(9)
PDFM-IV便携式多普勒C声波流量计
DFM-IV在线安装式多普勒C声波流量计
Stingray 便携式明渠流量计
OCF-IV明渠流量计
DFS-II带非接触式传感器的多普勒流量开关
LIT25带非接触式传感器的液位指示变送器
PSL带非接触式传感器的自动泵站液位控制器
SLT32非接触式液位和流量计
PDFM5.0便携式多普勒C声波流量计
美国AT电缆故障测试仪(3)
EG-3000直埋电缆接地故障测试仪
DAD、SDAD高压电缆故障定点仪
FW-10KV 智能型电缆故障测距仪
美国IST气体检测仪器(9)
IQ-200安全监控器(硫化氢、一氧化碳、可燃气、氧气)
IQ-250便携式单气体检测仪
IQ-350便携式单种气体检测仪
IQ-350 EAGLE 采用红外传感器的气体检测仪
TLV FALCON 采用光电离(PID)传感器的VOC气体检测仪
IQ-1000多功能气体检测仪
4-20IQ及SM95传感头变送器
LC-100单通道壁挂式气体检测仪
MP202,MP204,MP24多通道固定式气体检测系统
盐密仪、气体检漏仪等(7)
5750A型卤素(SF6)检漏仪
XP-1A 卤素(SF6)气体定性检漏仪
TIF8800A 可燃气体检漏仪
TIF8900 可燃气体检测仪
330便携式盐密测试仪
600E、2000E电缆测高仪
CERMAX便携式湿度(露点)仪——氢气,SF6、天然气、空气、CO2、N2等气体露点
瑞士Infratek宽频电力分析仪(5)
Infratek31宽频带电力分析仪
106A系列台式宽频带电力电力分析仪
107A系列台式宽频带电力电力分析仪
SM201电力万用表
DC27交直流电子负载
红外测温仪、红外热像仪(6)
ST630/632/660系列手持式红外测温仪
ST650/652/653/656/658/685/686系列手持式红外测温仪
ST670、ST672、ST675、ST677、ST688高温红外测温仪
Ti 20/Ti30 红外热成像仪
TI40/TI45 系列红外热成像仪
TI50/TI55 系列红外热成像仪
TI32 系列红外热成像仪
TI27 系列红外热成像仪
台湾标准电机(SEW)产品(37)
美翠(METREL)系列仪器(72)
加拿大NEWCON测距、夜视仪(29)
美国TSI、ALNOR系列仪器(23)
美国VANGUARD电力仪器(27)
美国HOLADAY电磁场测量仪(16)
其他进口设备
法国SFE TAG6000核相器
爱尔兰SUPARULE RIC2000E测高仪
爱尔兰SUPARULE CHM6000测高仪
加拿大ODNESS热流计
德国CASATI AT800测厚仪
Q89/Q90空调漏风量测试仪
西班牙LIFASA电容器
美国salisbury产品
电弧防护产品面部,头部和颈部防护
绝缘塑料套管和护罩
电绝缘鞋(靴)
单接地组件和装置
电压探测器声/光自检
绝缘毯及附件
绝缘跳线 绝缘跳线夹和附件
带电操作杆和救援钩棒
绝缘手套和护袖
绝缘线管和护罩
防电弧面屏套件
防电弧服套件
日本YS绝缘产品
GLOVAREX LINE绝缘手套/防护手 套
JAPAREX LINE绝缘手套/防护手套
绝缘靴/绝缘鞋和头盔
绝缘衣/绝缘夹克,绝缘裤
树脂绝缘毯/绝缘包毯
橡胶绝缘管/聚乙烯绝缘管
橡胶绝缘毯/绝缘垫
西班牙LIFASA电容器
电力电容器Power capacitors
ELEFP单相圆柱形电容器Cylindrical capacitor
POLT三相圆柱形电容器Cylindrical capacitor
POLB三相圆柱形电容器Cylindrical capacitor
FMLI单相铝电解电容器Pricsmatic capacitor
FML标准型铝电解电容器Standard capacitor
FML(R460)加强型铝电解电容器Reinforced capacitor
MFB三相紧凑型电容器Compact prismatic capacitor
FMLS六线电容器6-terminals prismatic capacitor
CPF带熔断器的电容器Capacitor with fuses
CPM带断路器的电容器Capacitor with breaker
CAB带熔断器和接触器电容器Capacitor with fuse and contactor
电容器柜Automatic Banks
BATM080 Automatic Banks
BATLV180 Automatic Banks
BATLV360 Automatic Banks
BATLV400 Automatic Banks
BATLV480 Automatic Banks
BATLV800 Automatic Banks
BATLV1200 Automatic Banks
BATLV1600 Automatic Banks
BATLVF080带标准电容器
BATLVF400带标准电容器
BATLVF600带标准电容器
BATLVF800带标准电容器
BATLVF1000带标准电容器
BATLVF1200带标准电容器
BATLVFS400带晶闸管Thyristors
BATLVFS600带晶闸管Thyristors
BATLVFS800带晶闸管Thyristors
BATLVFS1000带晶闸管Thyristors
BATLVFS1200带晶闸管Thyristors
防护滤波器Protection filters
INA/INR标准电容器柜电抗器(Reactor for standard capacitor bank)
INAS/INRS静态电容器柜电抗器(Reactor for static bank)
FMLF谐波保护电容器Capacitor for harmonic protection
FMLS静态滤波电容器Capacitor for static filter
谐波滤波器Harmonic filters
HBF-T第三谐波滤波器Third harmonic filter
TFA第三谐波隔离滤波器Third harmonic isolation
HAF吸收滤光器Absorption filter
HPF高通滤波器High pass filter
SINAF 2.0有源滤波器Active filter
无功功率控制器Reactive power controllers
MCE ADV标准控制器Standard controller
MCE-F PLUS静态柜控制器(Controller static bank)
PFCL ELITE高级控制器ADVANCED CONTROLLER
附件Accessories and auxiliary
放电电阻、变压器、继电器
TCP电流互感器Current transformer with split-core
MC电容接触器Contator for capacitor
CTF-CTB静态开关模块Static switching module
MCA PLUS网络分析仪Network analyser
MOD-RACK带标准电容器的安装架Rack-mounting
电机和照明电容器MOTOR AND LIGHTING CAPACITORS
电机MOTOR RUN CAPACITORS
照明LIGHTING CAPACITORS
您现在位于:
首页
→
产品中心
→
断路器
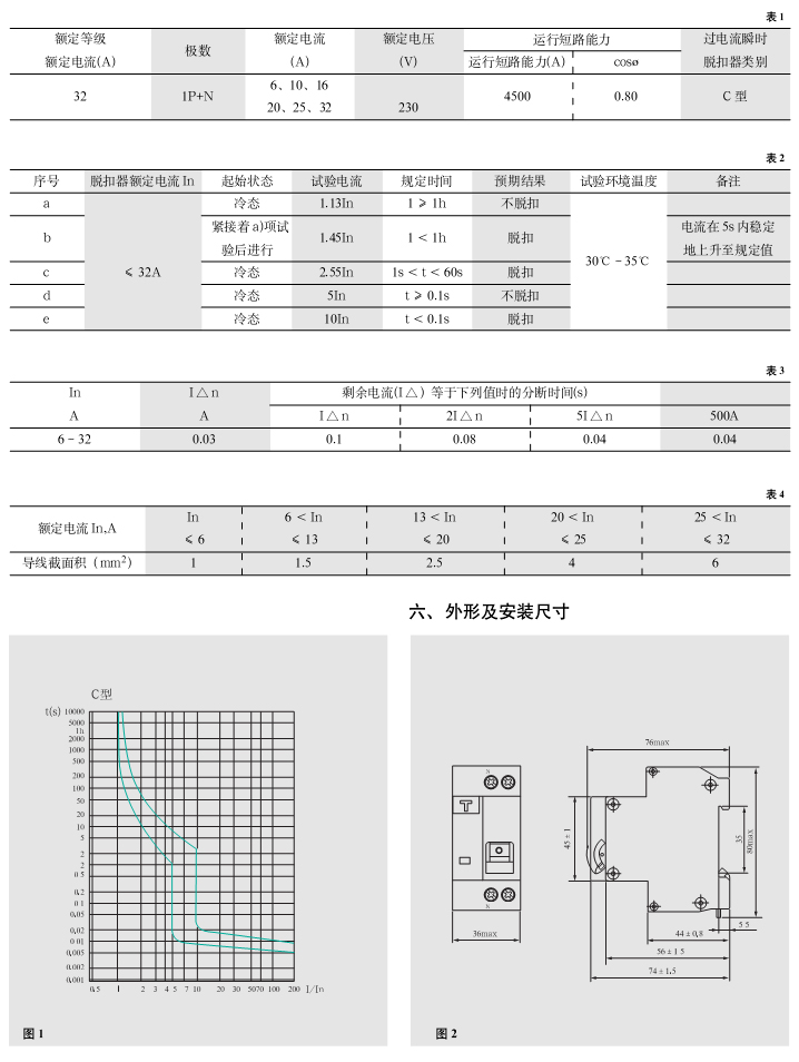
→ DZ30LE(HDZ2LE)系列漏电断路器
[
上海山合海融商贸有限公司
](
繁體中文
)是国内外 品牌的低压电器产品,安全防护产品,进口核相仪, 西班牙lifasa公司电容器,验电器,接地线,放电棒,绝缘毯,绝缘手套,绝缘靴,巡更巡检系统,过电压保护器,电泳保护器,双电源等产 品的代理商。
DZ30LE(HDZ2LE)系列漏电断路器