您现在位于:首页产品中心电表 → 电流、电压、频率、功率因数、功率系列板表
[上海山合海融商贸有限公司](繁體中文 )是国内外 品牌的低压电器产品,安全防护产品,进口核相仪,西班牙lifasa公司电容器,验电器,接地线,放电棒,绝缘毯,绝缘手套,绝缘靴,巡更巡检系统,过电压保护器,电涌保护器,双电源自动切换等产品的代理商。
 
 
电流、电压、频率、功率因数、功率系列板表












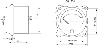
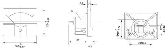
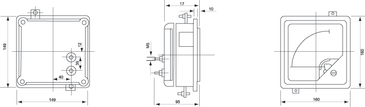
    本系列产品适用于交直流电路中测量电流、电压、频率、相位、功率之用。


准确度为:1.5、2.5级。
使用条件:-20℃~40℃、相对湿度<80%(25℃)。
机械性能:能承受加速度为30米/S2、冲击频率80次/min、二小时运输颠震。
绝缘强度:交流电压50Hz、2KV、历时1min。
电压影响:自额定值变化+15%时,引起指示值误差不C过基本误差。
工作位置:垂直方向使用。









频率、功率因数(相位)测量范围