|
 
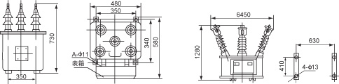
本产品是 JLSW-35(10、6)型三相油浸户外式高压电力计量箱,用于额定电压为35千伏、10千伏、6千伏、频率为50赫兹的三相及二相一地的高压电网上,直接计量有功电度和无功电度。用户只需在电力杆、变压器台或配电间装设本产品一台就可计量高压电度。本产品体积与重量 小 ,具有计量精度高,运行KK,使用维修及现场校验方便等优点,是电力部门的主要计量和节能设备,亦是水电联网时,高压计量电度的主要设备。

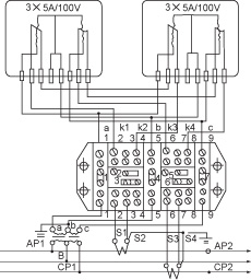
本产品将高压电流和电压互感器组合成器身,浸置在贮有变压器油的箱体内,整个器身与盖板相连,能一齐吊出油箱。盖板上装有三相高低压套管和注油孔并附设安全阀装置;油箱侧面装有油标,放油孔和接地螺栓,箱底有四个固定底脚。箱体外侧装有特殊设计的仪表,内装三相有功和无功电度表,通过玻璃窗再观察表计走度情况,仪表箱设计精巧,能供现场校验、装拆和调整电度之用,操作极为方便。

3.1 额定电压:3?千伏、3?0千伏、3?千伏。 3.2 准确等级:0.5级、0.2级。 3.3 额定变化:电压比:35000/100伏、10000/100伏、6000/100伏。 电流比:一次电流为:5、10、15、20、25、30、40、50、75、100、150、200、300、400、600安。二次电流均为5安。 3.4 额定容量:电压部分:2?5、2?5、2?00伏安。 电流部分:2?0、2?5、2?0伏安。




本产品在环境温度-30℃±40℃的范围内,海拔1000米以下使用。空气湿度不大于85%,安装场所应无严重的震动和颠簸,应无腐蚀性强烈的气体,不宜安装在易燃易爆的地方。

6.1 检查油箱有否渗油、漏油。应保持正常的油面,若油面低于油标线时应注入式验合格的变压器油。 6.2 检查接线螺丝和紧固螺丝松动,高低压套管有否损坏。 6.3 检查二次回路的接线是否正确,接线盒螺丝和压板位置是否正常。 6.4 检查箱体外壳接地是否良好,必须装好避雷装置。 6.5 必须卸下安全阀蕊将放在底部的橡皮垫片取掉,使安全阀排气畅通,方可运行使用。 6.6 连接一次线时,应与电网的相序一致;L1和L2的进出线必须正确。 6.7 定期检查油箱的油位,以及有否漏油的现象。 6.8 每1-2年应对计量箱进行一次QM检查和预防性试验。 6.9 产品经过长期放置再度使用时,必须检查计量箱的绝缘及变压器油是否良好,如果器身受潮必须进行无油干燥处理和变压器油过滤处理。经过试验合格后方可投入运行。


|