适用范围 JS14P系列数字式时间继电器具有延时精度高、延时范围宽、接点容量大、调整方便、工作状态直观、指示清晰明确等特点。可广泛用于程序控制系统、电拖动系统以及各处生产工艺过程的自动控制系统中,作为时间控制元件。 |
型号及其含义 |
|
|
基本规格代号 |
|
|
派生代号 |

|
主要技术参数 1. 额定控制电源电压:交流50Hz、24、36、48、110、127、220、380;直流12、24、48、110、220V; 2. 延时误差:整定值小于1s时,延时误差不大于0.05s;整定值大于1s;误差小于±1%; 3. 输出接点数:两对转换接点; 4. 输出接点容量:直流30V、5A;交流220V、3A; 5. 电寿命:20万次; 6. 电源电压允许变化范围:85%~110%的额定电压; 7. 直流电纹波系数不应大于6%; 8. JS14P系列时间继电器规格技术数据见表3。 |
 |
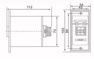
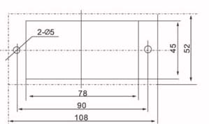
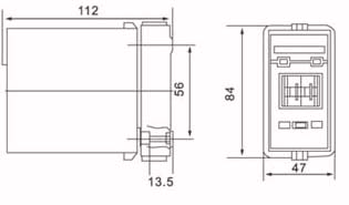
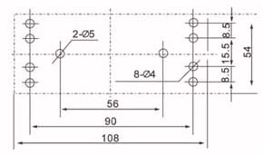
外形及安装尺寸 继电器外形尺寸见图1及图2,安装开孔尺寸见图3及图4,安装接线见图5及图6. |
图1. 装置式JS14P-□/□,JS14P-□/□Z继电器安装开孔尺寸 |
 图2. 面板式JS14P-□-□M,JS14P-□/□ZM继电器外形尺寸 |
图3. 装置式JS14P-□/□,JS14P-□/□Z继电器安装开孔尺寸
图4. 装置式JS14P-□/□M,JS14P-□/□ZM继电器安装开孔尺寸 |
 图5. 装置式JS14P-□/□,JS14P-□/□Z继电器安装接线
 图6. 面板式JS14P-□/□M,JS14P-□/□ZM继电器安装接线 |