您现在位于:首页产品中心继电器系列 → JJSB1(JS15)晶体管时间继电器
[上海山合海融商贸有限公司](繁體中文 )是国内外 品牌的低压电器产品,安全防护产品,进口核相仪,西班牙lifasa公司电容器,验电器,接地线,放电棒,绝缘毯,绝缘手套,绝缘靴,巡更巡检系统,过电压保护器,电涌保护器,双电源自动切换等产品的代理商。
 
 

适用范围
   JJSB1(JS15)系列晶体管时间继电器适用于交流50赫,电压380伏及以下,或直流24伏的控制电路中作时间元件使用。
主要技术参数
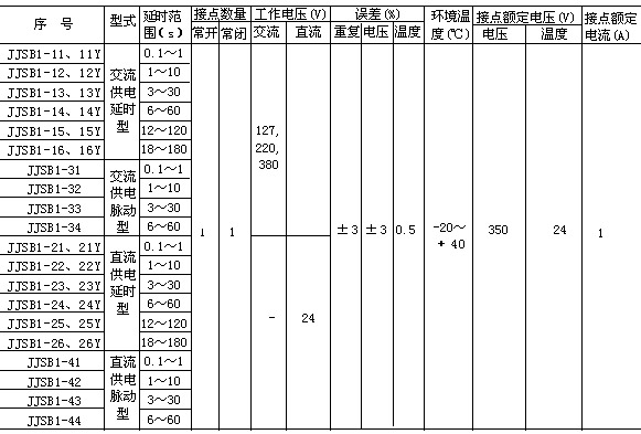
1. JJSB1系列晶体管时间继电器型号规格技术数据(见表1);
2. 继电器接点的接通与开断能力:交流400伏,功率因数为0.3-0.45安的条件下能20次接通和开断,每次间隔时间3秒, 通电时间不大于1秒;
3. 继电器的电寿命:接通380伏,0.7安,功率因数为0.6-0.7;开断380伏,功率因数为0.3-0.4的条件下,其电寿命不低于20万次;
4. 继电器的机械寿命不低于50万次。

JJSB1系列晶体管时间继电器型号规格技术数据表1

 

注:1. 型号后面带字母Y者,表示电位器为外接型;
  2. 对脉动型继电器,延时范围是指“接通时间”与“开断时间”的调整范围,它们都可在这个范围内分别调整。

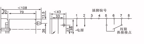
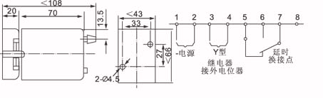
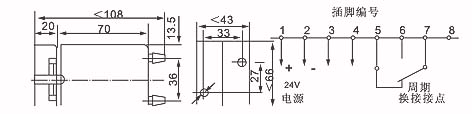
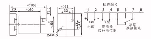
 外形及安装尺寸


 

图1 JJSB1系列继电器的外形及插脚接

图2 JJSB1系列继电器的插座安装尺寸