您现在位于:首页产品中心继电器 → JYB液位继电器
[上海山合海融商贸有限公司](繁體中文 )是国内外 品牌的低压电器产品,安全防护产品,进口核相仪,西班牙lifasa公司电容器,验电器,接地线,放电棒,绝缘毯,绝缘手套,绝缘靴,巡更巡检系统,过电压保护器,电涌保护器,双电源自动切换等产品的代理商。
 
 
>>
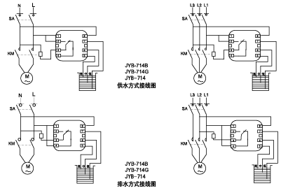
JYB液位继电器可用于科学试验、工业生产及家用水塔水位自动控制,作为电路中自动控制部件。
>>
>>
1、使用环境:安装地点的海拔不C过2000米;周围空气温度不C过+40。C,且其24h内的平均温度值不C过+35。C,周围空气温度的下限为-5。C; Z高温度为+40。C时,空气的相对湿度不C过50%; 在较低的温度+20。C时,允许空气的相对湿度不C过90%。对由于温度变化偶尔产生的凝露应采取特殊的措施;
2、电源电压变化范围为85%-110%额定工作电压;
3、在无严重震动和爆炸的介质中,且介质中无足以腐蚀金属和破坏绝缘的气体与尘埃,在雨雪侵蚀不到的地方使用;
4、垂直或水平安装。
>>
>>
外形及安装尺寸
订货须知
用户在订货时,请注明产品的型号、规格、额定工作电压。如有特殊要求,请与制造商协商。
主要技术参数

型号
JYB-1
JYB-3
JYB-714
AFR-1
电源电压
AC380V及以下50Hz DC24V
触点形式
1组转换触点
触点容量
AC220V 5A AC 380V 3A COSφ=1;AC220V 2A AC380V 1A COSφ=0.4
控制电极电流
Z大50μA
外形尺寸mm
47*84*109
41*51.5*93
66.5*44*112.5
78*49*80