 
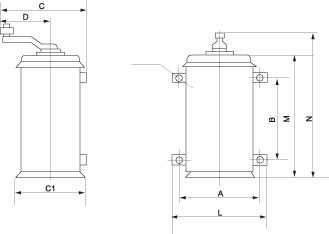
KT14系列交流凸轮控制器适用于交流50Hz、电压至380V的电路中,主要作为起重机交流电动机的起动和换向之用。本控制器具有可逆对称的电路,适用于起重机的平移机构和升降机构,也能作同类型性质电动机的起动,换向和调整之用。

3.1 KT14凸轮控制器根据所控制的电动机型式数量不同,分: KT14-25J/1,KT14-60J/1型控制器为控制一台三相绕线型感应电动机; KT14-25J/2,KT14-60J/2型控制器为同时控制二台三相绕线型感应电动机; KT14-25J/3型控制器为控制一台三相鼠笼型感应电动机; KT14-60J/4型控制器为同时控制二台三相绕线型感应电动机(不带定子电路的触头)。







|