|
 
LA-10(LFZ-10、LDZ-10),LAJ1-10(LFZJ-10、LDZJ-10),LAZBJ-10型电流互感器适用于额定频率为50HZ额定电压为10KV及以下户内装置的电力系统中作电气测量和电气保护用。



1、海拔高度不C过1000米。 2、环境温度变化范围-5~+40℃时,Z高日平均温度+30℃。 3、空气相对湿度,当气温为20℃时,相对湿度不大于85%。 4、安装场所应无严重影响互感受器绝缘的污秽及浸蚀性和爆炸性介质。

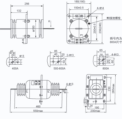
互感器为环氧树脂浇注,300/5A以下均为多匝型式半封闭浇注绝缘,300/5A以上均为单匝型式全封闭绝缘结构。 绝缘浇注体装在安装板上,其上装有铭牌、接地螺栓和安装孔,供安装使用。产品出头标记一次侧为P1、P2,二次侧为1S1、1S2、2S1、2S2分别对应为计量和监控、继电保护级。


5.5 负荷功率因数为0.8(滞后); 5.6 级次组合0.5/0.5、0.5/3、0.5/10P、0.2/0.2、0.2/10P; 5.7 额定二次电流5A; 5.8 局部放电水平符合 ,其视在放电量不大于20PC。



|