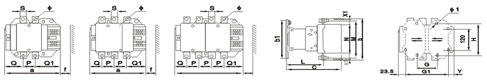
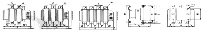
◆外形及安装尺寸
◆使用范围
M-DIL 系列交流接触器(以下简称接触器)适用于交流
50Hz或60Hz、电压至660V、电流至95A的电路中,供远距离接通与分断电路及频繁起动、控制交流电动机,接触器还可组装成积木式辅助触头组、空气延时头,机械联锁机构等部件,组成延时接触器、可逆接触器、星三角起动器,并且可以和热继电器直接插接安装组成电磁起动器。
◆型号及其含义
 ◆主要技术参数
|
型号 |
M-DIL-00MC |
M-DIL-00AMC |
M-DIL-0MC |
M-DIL-0AMC |
M-DIL-1MC |
M-DIL-1AMC |
M-DIL-2MC |
M-DIL-2AMC |
M-DIL-3MC |
M-DIL-3AMC |
|
额定绝缘电压(V) |
660 |
660 |
660 |
660 |
660 |
660 |
660 |
660 |
660 |
660 |
|
约定发热电流It(A) |
25 |
25 |
32 |
40 |
50 |
60 |
80 |
80 |
125 |
125 |
|
额定工作电流380V AC3 |
9 |
12 |
16 |
25 |
32 |
40 |
50 |
68 |
80 |
95 |
|
控制功率(kW) |
220V |
2.2 |
3 |
4 |
5.5 |
7.5 |
11 |
15 |
18.5 |
22 |
25 |
|
380V |
4 |
5.5 |
7.5 |
11 |
15 |
18.5 |
22 |
30 |
37 |
45 |
|
415V |
4 |
5.5 |
9 |
11 |
15 |
22 |
25 |
37 |
45 |
45 |
|
440V |
4 |
5.5 |
9 |
11 |
15 |
22 |
30 |
37 |
45 |
45 |
|
660V |
5.5 |
7.5 |
10 |
15 |
18.5 |
30 |
33 |
37 |
45 |
45 |
|
备注 |
安装方式:1、两个钉安装 2、35mm导轨安装 |
1、3个螺钉安装
2、75mm或35mm导轨安装 | 注:3P:三对常开主触头,No:一对常开辅助触头,NC:一对常闭辅助触头
◆线圈参数
|
型号 |
M-DIL-00MC |
M-DIL-00AMC |
M-DIL-0MC |
M-DIL-0AMC |
M-DIL-1MC |
M-DIL-1AMC |
M-DIL-2MC |
M-DIL-2AMC |
M-DIL-3MC |
M-DIL-3AMC |
|
吸合电压 50/60Hz(V) |
(0.85~1.1)Us |
|
释放电压 50/60Hz(V) |
(0.2~0.75)Us |
|
线圈功率 |
50Hz |
吸合(VA) |
70 |
70 |
110 |
110 |
110 |
200 |
200 |
200 |
200 |
200 |
|
保持(VA) |
8 |
8 |
11 |
11 |
11 |
20 |
20 |
20 |
20 |
20 |
|
60Hz |
吸合(VA) |
80 |
80 |
115 |
115 |
115 |
200 |
200 |
200 |
200 |
200 |
|
保持(VA) |
8 |
8 |
11 |
11 |
11 |
20 |
20 |
20 |
20 |
20 |
|
|
功耗(W) |
1.8~2.7 |
1.8~2.7 |
3~4 |
3~4 |
3~4 |
6~10 |
6~10 |
6~10 |
6~10 |
6~10 | ◆外形及安装尺寸
外形尺寸
 安装尺寸
 ◆适用范围
M-DIL系列交流接触器(以下简称接触器),适用于50Hz或(60Hz),配用特殊线圈可用于40~400Hz,电压至660V,电流至630A以下的电路中,用于主电路的接通和分断,并适用于电动机的频繁起动及控制;可与各种继电器等通用电气设备配套使用,用于各种电气设备、电机、电路控制。还可与辅助触头组,空气延时头、机械联锁等组成机械联锁接触器、星三角起动器、并可与热继电器组成磁力起动器。
◆型号及含义

◆结构特征
结构精巧、紧凑、功能模块化、积木式装配立体布局。接触器为防护式,动作机构为直板式,触头为双断点,在两台接触器之间可加机械联锁机构组成机械联锁(可逆转换接触器)接触器。
◆M-DIL4MC-M330外形及安装尺寸

|
M-DIL |
a |
P |
Q |
Q1 |
S |
φ |
f |
b |
b1 |
M |
N |
c |
L |
G |
H |
φ1 |
G1 |
Z |
Y |
X1 |
|
500V≤>500V |
|
4MC |
163.5 |
37 |
29.5 |
60 |
20 |
M6 |
131 |
162 |
137 |
147 |
124 |
171 |
107 |
80 |
120~106
|
6.5 |
106 |
13.5 |
44 |
10 |
15 |
|
4MC4 |
200.5 |
37 |
29.5 |
60 |
20 |
M6 |
131 |
162 |
137 |
147 |
124 |
171 |
107 |
80 |
120~106
|
6.5 |
143 |
13.5 |
44 |
10 |
15 |
|
4AMC |
163.5 |
40 |
26 |
57.5 |
20 |
M8 |
131 |
170 |
137 |
150 |
124 |
171 |
107 |
80 |
120~106
|
6.5 |
106 |
13.5 |
44 |
10 |
15 |
|
4AMC4 |
200.5 |
40 |
25 |
55.5 |
20 |
M8 |
131 |
170 |
137 |
150 |
124 |
171 |
107 |
80 |
120~106
|
6.5 |
143 |
13.5 |
44 |
10 |
15 |
|
M185 |
168.5 |
40 |
29 |
59.5 |
20 |
M8 |
130 |
174 |
137 |
154 |
127 |
181 |
113.5 |
80 |
120~106
|
6.5 |
111 |
13.5 |
44 |
10 |
15 |
|
M1854 |
208.5 |
40 |
29 |
59.5 |
20 |
M8 |
130 |
174 |
137 |
154 |
127 |
181 |
113.5 |
80 |
120~106
|
6.5 |
151 |
13.5 |
44 |
10 |
15 |
|
M225 |
168.5 |
28 |
21 |
51.5 |
25 |
M10 |
130 |
197 |
137 |
172 |
127 |
181 |
113.5 |
80 |
120~106
|
6.5 |
111 |
13.5 |
44 |
10 |
15 |
|
M2254 |
208.5 |
28 |
17 |
47.5 |
25 |
M10 |
130 |
197 |
137 |
172 |
127 |
181 |
113.5 |
80 |
120~106
|
6.5 |
151 |
20.5 |
44 |
10 |
15 |
|
M265 |
201.5 |
28 |
39 |
66.5 |
25 |
M10 |
147 |
203 |
145 |
178 |
147 |
213 |
141 |
96 |
120~106
|
6.5 |
140 |
20.5 |
38 |
10 |
15 |
|
M2654 |
244.5 |
28 |
34 |
66.5 |
25 |
M10 |
147 |
203 |
145 |
178 |
147 |
213 |
141 |
96 |
120~106
|
6.5 |
186 |
20.5 |
38 |
10 |
15 |
|
M330 |
213 |
28 |
43 |
74 |
25 |
M10 |
147 |
206 |
145 |
181 |
158 |
219 |
145 |
96 |
120~106
|
6.5 |
154.5 |
20.5 |
38 |
10 |
15 |
|
M3304 |
261 |
28 |
43 |
74 |
25 |
M10 |
147 |
206 |
145 |
181 |
158 |
29 |
145 |
96 |
120~106
|
6.5 |
202.5 |
20.5 |
38 |
10 |
15 | ◆M-DILM400-M500外形及安装尺寸

|
M-DIL |
a |
P |
Q |
Q1 |
S |
φ |
f |
b |
b1 |
M |
N |
c |
L |
G |
G1 |
φ1 |
H |
Y |
X1 |
|
500V≤ |
>500V |
|
M4002 |
213 |
48 |
69 |
96 |
25 |
M10 |
151 |
206 |
209 |
181 |
158 |
219 |
145 |
80(66~102) |
170(156~192) |
8.5 |
180 |
19.5 |
15 |
20 |
|
M400 |
213 |
48 |
43 |
74 |
25 |
M10 |
151 |
206 |
209 |
181 |
158 |
219 |
145 |
80(66~102) |
170(156~192) |
8.5 |
180 |
19.5 |
15 |
20 |
|
M4004 |
261 |
48 |
43 |
74 |
25 |
M10 |
151 |
206 |
209 |
181 |
158 |
219 |
145 |
80(66~102) |
170(156~192) |
8.5 |
180 |
67.5 |
15 |
20 |
|
M5002 |
233 |
55 |
76 |
102 |
30 |
M10 |
169 |
238 |
209 |
208 |
172 |
232 |
146 |
80(66~102) |
170(156~192) |
8.5 |
180 |
39.5 |
15 |
20 |
|
M500 |
233 |
55 |
46 |
77 |
30 |
M10 |
169 |
238 |
209 |
208 |
172 |
232 |
146 |
80(66~102) |
170(156~192) |
8.5 |
180 |
39.5 |
15 |
20 |
|
M5004 |
288 |
55 |
46 |
77 |
|
M10 |
169 |
238 |
209 |
208 |
172 |
232 |
146 |
140(66~102) |
230(156~192) |
8.5 |
180 |
34.5 |
15 |
20 | ◆M-DILM630-M800外形及安装尺寸

|
M-DIL |
a |
P |
Q |
Q1 |
S |
φ |
f |
b |
b1 |
M |
N |
c |
L |
G |
H |
φ1 |
Z |
Y |
X1 |
|
500V≤ |
>500V |
|
M6302 |
309 |
80 |
102 |
127 |
40 |
M12 |
201 |
304 |
280 |
264 |
202 |
255 |
155 |
180(100~195) |
180 |
10.5 |
60.5 |
68.5 |
20 |
30 |
|
M630 |
309 |
80 |
60 |
89 |
40 |
M12 |
201 |
304 |
280 |
264 |
202 |
255 |
155 |
180(100~195) |
180 |
10.5 |
60.5 |
68.5 |
20 |
30 |
|
M6304 |
389 |
80 |
60 |
89 |
40 |
M12 |
201 |
304 |
280 |
264 |
202 |
255 |
155 |
240(150~275) |
180 |
10.5 |
60.5 |
68.5 |
20 |
30 |
|
M800 |
389 |
80 |
60 |
89 |
40 |
M12 |
201 |
304 |
280 |
264 |
202 |
255 |
155 |
180(100~195) |
180 |
10.5 |
60.5 |
68.5 |
20 |
30 |
◆M-DIL系列转换接触器-水平安装 用于电动机控制AC3 4MC-M800 控制电路交流/直流
AC/DC
|
型号 |
主触头数 |
额定工作电流380V |
约定发热电流 |
三相电动机额定功率 |
熔断器 |
重量 |
|
M-DIL |
常开 No |
AC31le/A |
AC1lth/A |
AC3(KW) |
380V 50Hz Hp-ch |
型号 |
额定电流 ln/A |
Kg |
|
4MC |
3 |
115 |
200 |
55 |
75 |
RT16-2 |
250 |
3.6 |
|
4MC4 |
4 |
115 |
200 |
55 |
75 |
RT16-2 |
250 |
4.3 |
|
4AMC |
3 |
150 |
250 |
75 |
100 |
RT16-2 |
355 |
3.7 |
|
4AMC4 |
4 |
150 |
250 |
75 |
100 |
RT16-2 |
355 |
4.5 |
|
M185 |
3 |
185 |
275 |
90 |
125 |
RT16-3 |
425 |
4.6 |
|
M1854 |
4 |
185 |
275 |
90 |
125 |
RT16-3 |
425 |
5.4 |
|
M225 |
3 |
225 |
315 |
110 |
150 |
RT16-3 |
500 |
4.7 |
|
M2254 |
4 |
225 |
315 |
110 |
150 |
RT16-3 |
500 |
5.7 |
|
M265 |
3 |
265 |
350 |
132 |
180 |
RT16-3 |
630 |
7.1 |
|
M2654 |
4 |
265 |
350 |
132 |
180 |
RT16-3 |
630 |
8.5 |
|
M330 |
3 |
330 |
400 |
160 |
220 |
RT16-4 |
800 |
8.5 |
|
M3304 |
4 |
330 |
400 |
160 |
220 |
RT16-4 |
800 |
10 |
|
M400 |
3 |
400 |
500 |
200 |
280 |
RT16-4 |
800 |
8.5 |
|
M4004 |
4 |
400 |
500 |
200 |
280 |
RT16-4 |
800 |
10 |
|
M4002 |
2 |
400 |
500 |
|
|
RT16-4 |
800 |
7.3 |
|
M500 |
3 |
500 |
700 |
250 |
335 |
RT16-4 |
1000 |
10.8 |
|
M5004 |
4 |
500 |
700 |
250 |
335 |
RT16-4 |
1000 |
12.9 |
|
M5002 |
2 |
500 |
700 |
|
|
RT16-4 |
1000 |
9.1 |
|
M630 |
3 |
630 |
1000 |
335 |
450 |
RT16-16 |
1250 |
17.4 |
|
M6304 |
4 |
630 |
1000 |
335 |
450 |
RT16-16 |
1250 |
20.5 |
|
M6302 |
2 |
630 |
1000 |
|
|
RT16-16 |
1250 |
14.1 |
|
M800 |
3 |
800 |
1000 |
400 |
540 |
RT16-16 |
1250 |
19 | ◆M-DIL型的模块化组合系统

| |