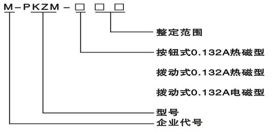
◆型号及其含义
 M-PKZM电动机断路器带热保护 按钮控制或转换开关控制
|
50/60HZ,AC-3类 三相电动机机标准额定功率(KW) |
热脱扣设定范围(A) |
磁脱扣电流(A) |
带外壳时1the电流(A) |
型号(按钮控制) |
重量(kg) |
|
230V |
400V |
415V |
440V |
ld±20% |
|
- |
- |
- |
- |
0.1...0.6 |
1.5 |
0.16 |
M-PKZM-M01C |
0.260 |
|
- |
- |
- |
- |
0.16...0.25 |
2.4 |
0.25 |
M-PKZM-M02C |
0.260 |
|
- |
- |
- |
- |
0.25...0.40 |
5 |
0.40 |
M-PKZM-M03C |
0.260 |
|
- |
- |
- |
- |
0.40...0.63 |
8 |
0.63 |
M-PKZM-M04C |
0.260 |
|
- |
- |
- |
0.37 |
0.63...1 |
13 |
1 |
M-PKZM-M05C |
0.260 |
|
- |
0.37 |
- |
0.55 |
1...1.0 |
22.5 |
1.6 |
M-PKZM-M06C |
0.260 |
|
0.37 |
0.75 |
0.75 |
1.1 |
1.6...2.5 |
33.5 |
2.5 |
M-PKZM-M07C |
0.260 |
|
0.75 |
1.5 |
1.5 |
1.5 |
2.5...4 |
51 |
4 |
M-PKZM-M08C |
0.260 |
|
1.1 |
2.2 |
2.2 |
3 |
4...6.3 |
78 |
6.3 |
M-PKZM-M10C |
0.260 |
|
2.2 |
4 |
4 |
4 |
6...10 |
138 |
9 |
M-PKZM-M14C |
0.260 |
|
3 |
5.5 |
5.5 |
7.5 |
9...14 |
170 |
13 |
M-PKZM-M16C |
0.260 |
|
4 |
7.5 |
9 |
9 |
13...18 |
223 |
17 |
M-PKZM-M20C |
0.260 |
|
5.5 |
11 |
11 |
11 |
17...23 |
327 |
21 |
M-PKZM-M21C |
0.260 |
|
5.5 |
11 |
11 |
11 |
20...25 |
327 |
23 |
M-PKZM-M22C |
0.260 |
|
7.5 |
15 |
15 |
15 |
24...32 |
416 |
24 |
M-PKZM-M32C |
0.260 |
M-PKZM-RS电动机断路器带热磁保护 转换开关控制
|
50/60HZ,AC-3类 三相电动机标准额定开关控制(KW) |
热脱扣设定范围(A) |
磁脱扣电流(A) |
型号(按钮控制) |
重量(kg) |
|
230V |
400V |
415V |
440V |
ld±20% |
|
- |
- |
- |
- |
0.1...0.6 |
1.5 |
M-PKZM-M01C |
0.260 |
|
- |
- |
- |
- |
0.16...0.25 |
2.4 |
M-PKZM-M02C |
0.260 |
|
- |
- |
- |
- |
0.25...0.40 |
5 |
M-PKZM-M03C |
0.260 |
|
- |
- |
- |
- |
0.40...0.63 |
8 |
M-PKZM-M04C |
0.260 |
|
- |
- |
- |
0.37 |
0.63...1 |
13 |
M-PKZM-M05C |
0.260 |
|
- |
0.37 |
- |
0.55 |
1...1.0 |
22.5 |
M-PKZM-M06C |
0.260 |
|
0.37 |
0.75 |
0.75 |
1.1 |
1.6...2.5 |
33.5 |
M-PKZM-M07C |
0.260 |
|
0.75 |
1.5 |
1.5 |
1.5 |
2.5...4 |
51 |
M-PKZM-M08C |
0.260 |
|
1.1 |
2.2 |
2.2 |
3 |
4...6.3 |
78 |
M-PKZM-M10C |
0.260 |
|
2.2 |
4 |
4 |
4 |
6...10 |
138 |
M-PKZM-M14C |
0.260 |
|
3 |
5.5 |
5.5 |
7.5 |
9...14 |
170 |
M-PKZM-M16C |
0.260 |
|
4 |
7.5 |
9 |
9 |
13...18 |
223 |
M-PKZM-M20C |
0.260 |
|
5.5 |
11 |
11 |
11 |
17...23 |
327 |
M-PKZM-M21C |
0.260 |
|
5.5 |
11 |
11 |
11 |
20...25 |
327 |
M-PKZM-M22C |
0.260 |
|
7.5 |
15 |
15 |
15 |
24...32 |
416 |
M-PKZM-M32C |
0.260 |
M-PKZM-LS电动机断路器带热磁保护 转换开关控制
|
50/60HZ,AC-3类 三相电动机机标准额定功率(KW) |
热脱扣设定范围(A) |
磁脱扣电流(A) |
带外壳时1the电流(A) |
型号(按钮控制) |
重量(kg) |
|
230V |
400V |
415V |
440V |
ld±20% |
|
- |
- |
- |
- |
0.4 |
5 |
M-Z00C-D1303 |
M-PKZM-M03C |
0.330 |
|
- |
- |
- |
- |
0.63 |
8 |
M-Z00C-D1304 |
M-PKZM-M04C |
0.330 |
|
- |
- |
- |
0.37 |
1 |
13 |
M-Z00C-D1305 |
M-PKZM-M05C |
0.330 |
|
- |
0.37 |
- |
0.55 |
1.6 |
22.5 |
M-Z00C-D1306 |
M-PKZM-M06C |
0.330 |
|
0.37 |
0.75 |
0.75 |
1.1 |
2.5 |
33.5 |
M-Z00C-D1307 |
M-PKZM-M07C |
0.330 |
|
0.75 |
1.5 |
1.5 |
1.5 |
4 |
51 |
M-Z00C-D1308 |
M-PKZM-M08C |
0.330 |
|
1.1 |
2.2 |
2.2 |
3 |
6.3 |
78 |
M-Z00C-D1310 |
M-PKZM-M10C |
0.330 |
|
2.2 |
4 |
4 |
4 |
10 |
138 |
M-Z00C-D1314 |
M-PKZM-M14C |
0.330 |
|
3 |
5.5 |
5.5 |
7.5 |
14 |
170 |
M-Z00C-D1316 |
M-PKZM-M16C |
0.330 |
|
4 |
7.5 |
9 |
9 |
18 |
223 |
M-Z00C-D1321 |
M-PKZM-M20C |
0.330 |
|
5.5 |
11 |
11 |
11 |
25 |
327 |
M-Z00C-D1322 |
M-PKZM-M21C |
0.330 | ◆电脱扣特性
|
类型 |
|
M-PKZMC-AU |
M-PKZMC-AX |
M-PKZMC-AS | ◆电跳闸特性
|
额定绝缘电压(UI)符合-1. |
V |
690 |
400 |
690 |
|
工作电压符合-1 |
V |
0.85...1.1 Ue |
0.7..1.1 Ue |
|
释放电压 |
V |
0.35...0.7 Ue |
0.2...0.75 Ue |
|
起动耗电
|
VA |
12 |
14 |
|
W |
8 |
10.5 |
|
吸持耗电 |
VA |
3.5 |
5 |
|
W |
1.1 |
1.6 |
|
动作时间符合-1 |
ms |
从电压达到工作值起到M-PKZMC断开10...15 |
|
负载系数 |
|
|
|
接线 |
|
1或2根导线 |
|
|
硬导线 |
mm2 |
1...2.5 |
|
无接线端子的软导线 |
mm2 |
0.75...2.5 |
|
有接线端子的软导线 |
mm2 |
0.75...1.5 |
|
坚固扭矩 |
Nm |
1.4Z大 |
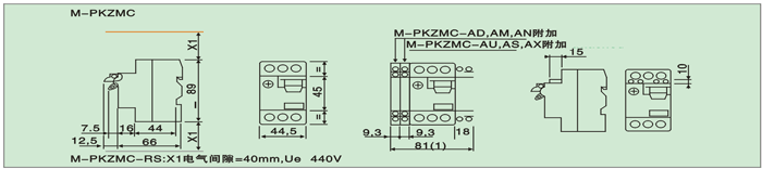
◆尺寸,安装




◆尺寸,安装
母线排 M-PKZMC-G445,M-PKZMC-G472 带端子块
M-PKZMC-G445


母线排
M-PKZMC-G●●●
母线排 带端子块
M-PKZMC-G09 M-PKZMC-G245,M-PKZMC-G254,M-PKZMC-G272


母线排
M-PKZMC-G554 母线排
M-PKZMC-G354

| |