■适用于工业、商业和民用的电气线路中作主开关使用 ■.3 |
额定电流In(A) |
 1极 |
 2极 |
■技术参数
额定电压:230/400V 频率Frequency:50/60Hz 频率耐受能力: 接100A后备熔 断器可达25kA 通断能力:1.25In;1.1Ue 使用类别Using
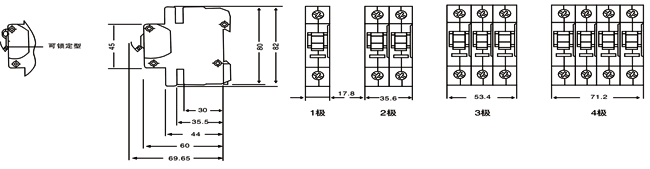
calss:AC22 连接导线截面:max.50mm2 防护等级:(安装后) 隔离:明确的开关位置状态按照 ■结构特点 双功能接线端 具有触头状态指示器 可以挂锁,锁孔直径可6mm
|
40 |
M-SX-40/1
|
M-SX-40/2
|
|
63 |
M-SX-63/1 |
M-SX-63/2 |
|
80 |
M-SX-80/1 |
M-SX-80/2 |
|
100 |
M-SX-100/1 |
M-SX-100/2 |
|
|
 3极 |
 4极 |
|
40 |
M-SX-40/3
|
M-SX-40/4
|
|
63 |
M-SX-63/3 |
M-SX-63/4 |
|
80 |
M-SX-80/3 |
M-SX-80/4 |
|
100 |
M-SX-100/3 |
M-SX-100/4 | ◆外表及安装尺寸

| |