| |
|
| HTAU微型电磁铁 |
|
适用
1、游乐机
2、各种自动贩卖机
3、办公设备(列表机、电脑设备、传真机、打卡机、影印机等)
4、运输设备(自动门锁、停车设备)
5、家电用品(录影机、电子琴、纺织机)
6、其他(自动包装设备、机器手、防盗器等)
概要与特征
1、电磁铁构造
a. 断面图

| 编号 |
1 |
2 |
3 |
4 |
5 |
6 |
7 |
| 部分名称 |
固定支架 |
盖 |
可动铁心 |
固定铁心 |
线圈骨轴 |
线圈 |
导管 |
b. 通电率


| 通电率 |
75% |
50% |
25% |
10% |
| Z大通电时间 |
20分 |
7分 |
2分 |
1分 |
2、电磁铁作动形式


消音

DC标准品一览表
| 机种名 |
外型寸法(mm) |
总重量(g) |
消耗功率
(W) |
连续
间歇 |
吸引力(g) |
| W×H×L |
可动铁心(g) |
0mm |
2mm |
4mm |
HTAU-0416
|
10×11×16
|
10 |
---
|
--- |
--- |
--- |
| 2 |
4.0
|
300 |
75 |
25 |
| HTAU-0520 |
13×15×20 |
17 |
--- |
--- |
--- |
--- |
| 3 |
6.0 |
400 |
65 |
20 |
| HTAU-0530 |
10×15×30 |
26 |
--- |
--- |
--- |
--- |
| 4 |
7.2 |
530 |
120 |
50 |
| HTAU-0630 |
16×19×30 |
46 |
--- |
--- |
--- |
--- |
| 6 |
9.6 |
1030 |
400 |
220 |
| HTAU-0730 |
14×16×30 |
35 |
--- |
--- |
--- |
--- |
| 8 |
8.0 |
1100 |
220 |
110 |
| HTAU-0826 |
22×25×26 |
63 |
2.5 |
2200 |
380 |
180 |
| 9 |
10.0 |
2800 |
1000 |
660 |
| HTAU-0837 |
20×26×37 |
90 |
3.8 |
1900 |
470 |
230 |
| 12 |
15.2 |
2500 |
1050 |
780 |
| HTAU-1039 |
20×26×39 |
98 |
3.8 |
4100 |
420 |
200 |
| 20 |
15.2 |
5000 |
1300 |
720 |
| HTAU-1040 |
24×29×40 |
130 |
4.5 |
2400 |
670 |
330 |
| 20 |
18.0 |
3100 |
1600 |
1150 |
| HTAU-1050 |
37×41×50 |
320 |
5.25 |
6300 |
1120 |
840 |
| 26 |
21.0 |
8050 |
2100 |
1960 |
| HTAU-1250 |
37×41×50 |
320 |
7.5 |
9000 |
1600 |
1200 |
| 36 |
30.0 |
11500 |
3000 |
2800 |
| HTAU-1253 |
27×30×53 |
195 |
6.0 |
4200 |
930 |
600 |
| 40 |
24.0 |
5000 |
1800 |
1500 |
| HTAU-1264 |
30×38×64 |
310 |
8.0 |
8700 |
1650 |
1400 |
| 42 |
32.0 |
11000 |
2800 |
2650 |
| HTAU-1564 |
30×38×64 |
350 |
8.0 |
7400 |
2250 |
1300 |
| 60 |
32.0 |
9800 |
4250 |
3400 |
| HTAU-1578 |
44×51×78 |
770 |
12.5 |
6500 |
3600 |
2900 |
| 91 |
50.0 |
8100 |
5500 |
4900 |
| HTAU-1683 |
52×58×83 |
1200 |
15.0 |
7800 |
4320 |
3480 |
| 130 |
60.0 |
9720 |
6600 |
5880 |
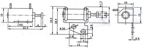
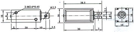
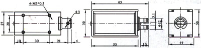
HTAU-0416

1、外观图

2、标准线圈表
(间歇定格)约4W
| 电压(V) |
电阻(Ω) |
电流(mA) |
| 6 |
10 |
600 |
| 12 |
40 |
300 |
| 24 |
160 |
150 |
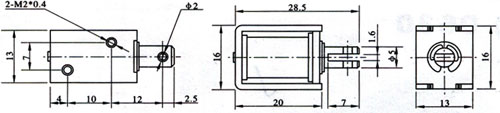
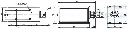
HTAU-0520

1、外观图

2、标准线圈表
(间歇定格)约6W
| 电压(V) |
电阻(Ω) |
电流(mA) |
| 6 |
10 |
1000 |
| 12 |
40 |
500 |
| 24 |
160 |
250 |
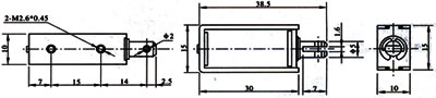
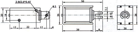
HTAU-0530

1、外观图

2、标准线圈表
(间歇定格)约7.2W
| 电压(V) |
电阻(Ω) |
电流(mA) |
| 6 |
5 |
1200 |
| 12 |
20 |
600 |
| 24 |
80 |
300 |
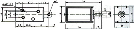
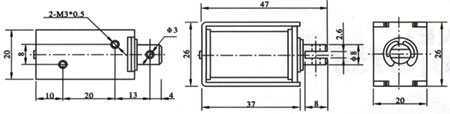
HTAU-0630

1、外观图

2、标准线圈表
(间歇定格)约9.6W
| 电压(V) |
电阻(Ω) |
电流(mA) |
| 6 |
15 |
400 |
| 12 |
60 |
200 |
| 24 |
24 |
100 |
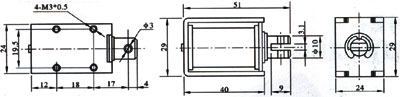
HTAU-0730

1、外观图

2、标准线圈表
(间歇定格)约8W
| 电压(V) |
电阻(Ω) |
电流(mA) |
| 6 |
4.5 |
1333 |
| 12 |
18 |
666 |
| 24 |
72 |
333 |
HTAU-0826

1、外观图

2、标准线圈表
(间歇定格)约10W
| 电压(V) |
电阻(Ω) |
电流(mA) |
| 6 |
3.6 |
1666 |
| 12 |
14.5 |
827 |
| 24 |
58 |
413 |
HTAU-0837

1、外观图

2、标准线圈表
(间歇定格)约10W
| 电压(V) |
电阻(Ω) |
电流(mA) |
| 6 |
9.5 |
631 |
| 12 |
38 |
315 |
| 24 |
150 |
160 |
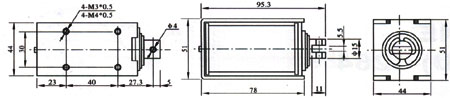
HTAU-1039

1、外观图

2、标准线圈表
(间歇定格)约3.8W
| 电压(V) |
电阻(Ω) |
电流(mA) |
| 6 |
9.5 |
631 |
| 12 |
38 |
315 |
| 24 |
150 |
160 |
HTAU-1040

1、外观图

2、标准线圈表
(间歇定格)约4.5W
| 电压(V) |
电阻(Ω) |
电流(mA) |
| 6 |
8 |
750 |
| 12 |
32 |
375 |
| 24 |
128 |
187 |
HTAU-1050

1、外观图

2、标准线圈表
(间歇定格)约5.3W
| 电压(V) |
电阻(Ω) |
电流(mA) |
| 6 |
6.8 |
888 |
| 12 |
27 |
444 |
| 24 |
108 |
222 |
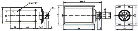
HTAU-1250

1、外观图

2、标准线圈表
(间歇定格)约7.52W
| 电压(V) |
电阻(Ω) |
电流(mA) |
| 6 |
4.8 |
1250 |
| 12 |
19 |
631 |
| 24 |
77 |
311 |
HTAU-1253

1、外观图

2、标准线圈表
(间歇定格)约6.0W
| 电压(V) |
电阻(Ω) |
电流(mA) |
| 6 |
6 |
1000 |
| 12 |
24 |
500 |
| 24 |
96 |
250 |
HTAU-1264

1、外观图

2、标准线圈表
(间歇定格)约8W
| 电压(V) |
电阻(Ω) |
电流(mA) |
| 6 |
4.5 |
1333 |
| 12 |
18 |
666 |
| 24 |
72 |
333 |
HTAU-1564

1、外观图

2、标准线圈表
(间歇定格)约10W
| 电压(V) |
电阻(Ω) |
电流(mA) |
| 6 |
4.5 |
1333 |
| 12 |
18 |
827 |
| 24 |
72 |
413 |
HTAU-1578

1、外观图

2、标准线圈表
(间歇定格)约12.5W
| 电压(V) |
电阻(Ω) |
电流(mA) |
| 6 |
2.9 |
1333 |
| 12 |
11.5 |
1043 |
| 24 |
46 |
521 |
HTAU-1683

1、外观图

2、标准线圈表
(间歇定格)约60W
| 电压(V) |
电阻(Ω) |
电流(mA) |
| 12 |
9 |
1333 |
| 24 |
36 |
666 |
| 68 |
144 |
333 |
|
|
|
|
|
| |
|