|
YCQR3系列微机监控电机保护器
型 号 YCQR3-A型 整体式可实现对电机监测、监控、保护及就地显示等功能。 YCQR3-B型 分体式由主体单元及电流传感器独立组成,该型保护器适用于主体置于板后面显示在面板上。可完成对电机的监测、监控、保护及就地显示等功能,其主体单元与电流传感器之间的距离为≤5m。 YCQR3-C型 整体式具有WDB-A型功能外、并具有RS485通讯接口,可实现远程通讯。通讯距离≤1200m。 YCQR3-D型 分体式 具有WDB-B型功能外、并具有RS485通讯接口,可实现远程通讯。通讯距离≤1200m。
主要特点
- 电流传感器卡式结构,安装勿须拆卸主回路,提高现场安装效率。
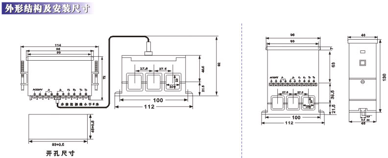
- 整机模块化结构、传感器与主体可组合一体,也可分离安装,主体外形尺寸参照GJ仪表装置标准。
- 高清晰度宽温LCD显示,并具有背景光。
- 应用微机和数字处理技术,因此测量精度高,线性好、故障分辨准确KK,整机抗干扰能力强,并具有诊断功能。
- 采用E2PROM存储技术,实现参数电设定,掉电后设定参数仍保存下来,勿须再设定。
- 配有RS485串行数字接口,便于与上位机(PC)进行数字通讯。
- 一机多用,可取代电流表、电压表、热继电器、电流互感器、时间继电器和漏电继电器等。
主要功能
- 保护功能 过流、堵转、三相电流不平衡、断相、欠流、过压、欠压、漏电、短路等故障保护。
- 设定功能 可现声场额定电流、起动时间、过压值、欠压值、过流动作时间,堵转电流对额定电流的倍数、漏电电流值、通讯地址、三相电流不平衡百分比、400A、600A规格配变比电流互感器的额定电流比。
- 显示功能 通电时显示STOP;检测状态时循环显示A、B、C三相电流值;保护状态时过流、过压、欠压值记忆显示,故障各类字符提示显示;设置状态时显示各故障字符及设定值。
- 通讯功能 通过串行数字接口实现信息传送,一台上位机(PC)可接256台保护器,并可对每台电机进行参数设定,启停操作,便于自动化管理。
- 记忆功能 可存储近期电机所发生的三次故障原因,并可按移位键取出Z近一次电机发生的故障代号,再按一次显示前一次故障代号。
保护特性
过 流 工作电流≥设定电流1.2倍,过流反时限对应1~5序号的5条曲线,动作时间≤300S。 断 相 不同一相或二相断开时,动作时间≤2.0S。 不 平 衡 当不同两相间的电流值差≥60%时,动作时间≤2.0S。 堵 转 当工作电流达到额定电流的3~8倍时,动作时间≤0.5S。 短 路 当工作电流达到额定电流的10倍以上时,动作时间≤0.2S 过 压 当工作电压C过过压设定值时,动作时间≤5.0S。 欠 压 当工作电压底于欠压设定值时,动作时间≤10S。 漏 电 漏电电流大于漏电电流设定值50~500时,动作时间≤0.2S,须独立动作J2常开时,需订购时注明。 欠 流 当工作电流低于欠流设定值时,动作时间≤10S 注:需漏电保护功能,设计选型或订贷时在型号后加“L” 需自启动功能,设计选型或订货时在型号后加“S” 需通讯启动电机功能,设计选型或订货时在型号后加“Q”。(以上三项为可选功能)。
技术能数 触点容量 AC220V/5A AC380V/3A 电寿命≥100000次。 触点特性 触点J1常闭,触点J2常开,若需特制订购生产。 通讯接口 RS485串行数字接口,通信距离≤1200米 工作电压 AC220V±15% AC380V±15% 50Hz±2%其它规格订购生产。 允许误差 ±5% 分体显示 距离小于5m,标准配置为60cm 外形尺寸 112mm×48mm×130mm 通讯协议 支持厂内自行编制、MODBUS、PROFIBUS等通信协议。





|